Ответить
  • kinic Senior MemberАвтор темы
    офлайн
    kinic Senior Member Автор темы

    3187

    21 год на сайте
    пользователь #22221

    Профиль
    Написать сообщение

    3187
    # 29 ноября 2004 09:02 Редактировалось kinic, 2 раз(а).

    Предлагаю обсудить целесообразность замены деревянных дверей на железные, а также преимущества и недостатки домофонных систем по сравнению с механическими кодовыми замками.

    Ссылки на правовую информацию

    http://forum.onliner.by/viewtopic.php?p=24652086#24652086

    http://forum.onliner.by/viewtopic.php?p=24732837#24732837

    То, что можно купить за деньги, стоит дешево
  • Wite Senior Member
    офлайн
    Wite Senior Member

    2903

    18 лет на сайте
    пользователь #113056

    Профиль
    Написать сообщение

    2903
    # 15 июля 2019 11:54 Редактировалось Wite, 1 раз.

    Добрый день. Нужен совет знающих людей.

    Есть новостройка в Минске с домофоном через оптику + телефон. Т.е. к квартиру входит оптика, далее в роутер, из роутера телефонный кабель. Звонок в домофон поступает на телефон, нажатием на "*" происходит открытие двери.

    Модель домофона вроде бы ПИРРС-1000 Телеком.

    Вопрос в следующем: можно ли я сделать так, чтобы вместо телефона звонок (аудио, без видео) поступал на видеодомофон? И открытие так же с видеодомофона.
    Решает ли задачу в данном случае блок сопряжения D-516?

  • sakol2006 Member
    офлайн
    sakol2006 Member

    180

    13 лет на сайте
    пользователь #532592

    Профиль
    Написать сообщение

    180
    # 22 июля 2019 19:31

    Здравствуйте! Подскажите купил к домофону Пиррс 1000микро трубку Цифрал КМ-3, кнопка открытия не работает, а вот если во время разговора переключить тумблер на откл. звука в этот момент дверь открывается... что делать? может брак трубки и ее возвращать продавцу?? (стояла до этого трубка Цифрал КМ)

  • arhitektor1988 Member
    офлайн
    arhitektor1988 Member

    356

    12 лет на сайте
    пользователь #777352

    Профиль
    Написать сообщение

    356
    # 22 июля 2019 22:58 Редактировалось arhitektor1988, 4 раз(а).

    Всем привет!

    Wite:

    можно ли я сделать так, чтобы вместо телефона звонок (аудио, без видео) поступал на видеодомофон?

    НЕТ. Нельзя. Никак. Точно пока что совсем никак.

    Wite:

    Решает ли задачу в данном случае блок сопряжения D-516?

    Нет не решает. И он для домофонной линии а не телефонной.

    sakol2006:

    что делать?

    Нажать и держать кнопочку подольше, потом отпускать. Прозвонить кнопку открытия - должна замыкаться при нажатии, прозвонить тумблер на предмет чёткого замыкания. Проверить выкушен ли на плате старой трубки R1, на всякий случай удалить R1 в новой, панель Микро должна работать с трубками от цифрала без доработок.

    sakol2006:

    может брак трубки и ее возвращать продавцу?

    Возможно и брак. Если на обслуживании то вызвать мастера для подключения или ремонта. Если дело в кнопке то перепаять хоть со старой, или менять на другую решайте сами что проще.

    © Я всё сказал!
  • Wite Senior Member
    офлайн
    Wite Senior Member

    2903

    18 лет на сайте
    пользователь #113056

    Профиль
    Написать сообщение

    2903
    # 23 июля 2019 09:20
    arhitektor1988:

    НЕТ

    :weep:

    Жаль. Спасибо за ответ.

  • Неизвестный кот Junior Member
    офлайн
    Неизвестный кот Junior Member

    81

    14 лет на сайте
    пользователь #360720

    Профиль

    81
    # 23 июля 2019 09:24

    Добрый день!
    Приобрели квартиру, домофон стоял, ключи есть. Сначала работал, затем перестал, при наборе квартиры пишет - OFF. Обслуживающая организация Альфаслав. Все номера заблокированы. Что делать, куда податься?

  • DVK Senior Member
    офлайн
    DVK Senior Member

    22193

    22 года на сайте
    пользователь #8520

    Профиль
    Написать сообщение

    22193
    # 23 июля 2019 13:48
    ValeriYuli:

    Что делать, куда податься?

    К электрику ЖЭСа или ТСЖ, чтобы обесточил недействующее ЗПУ.

    I'm a man with a plan. (C) Korpiklaani
  • sakol2006 Member
    офлайн
    sakol2006 Member

    180

    13 лет на сайте
    пользователь #532592

    Профиль
    Написать сообщение

    180
    # 23 июля 2019 17:33 Редактировалось sakol2006, 3 раз(а).
    Добавлено спустя 1 минута 49 секунд

    arhitektor1988:

    Всем привет!

    Wite:

    можно ли я сделать так, чтобы вместо телефона звонок (аудио, без видео) поступал на видеодомофон?

    НЕТ. Нельзя. Никак. Точно пока что совсем никак.

    Wite:

    Решает ли задачу в данном случае блок сопряжения D-516?

    Нет не решает. И он для домофонной линии а не телефонной.

    sakol2006:

    что делать?

    Нажать и держать кнопочку подольше, потом отпускать. Прозвонить кнопку открытия - должна замыкаться при нажатии, прозвонить тумблер на предмет чёткого замыкания. Проверить выкушен ли на плате старой трубки R1, на всякий случай удалить R1 в новой, панель Микро должна работать с трубками от цифрала без доработок.

    sakol2006:

    может брак трубки и ее возвращать продавцу?

    Возможно и брак. Если на обслуживании то вызвать мастера для подключения или ремонта. Если дело в кнопке то перепаять хоть со старой, или менять на другую решайте сами что проще.

    Кнопка рабочая,тумблер тоже - проверил. Резистор r1в старой выпаян, в новой тоже выпаял -проблему не решило. При нажатии кнопки как и было отключается микрофон и динамик,загорается индикатор ярче на трубке и издается в домофона щелчок,но дверь не открывается(долгое нажатие не открывает),а вот тумблер как только переключатель в режиме разговора,так открывается... Что ещё сделать? Какой сигнал обратно на домофон идёт для открытия?

  • arhitektor1988 Member
    офлайн
    arhitektor1988 Member

    356

    12 лет на сайте
    пользователь #777352

    Профиль
    Написать сообщение

    356
    # 24 июля 2019 12:41 Редактировалось arhitektor1988, 3 раз(а).
    sakol2006:

    Что ещё сделать? Какой сигнал обратно на домофон идёт для открытия?

    Открытие происходит при изменении сопротивления в линии (точнее напряжения но они связаны законом ома), панель его контролирует, если пстрикать выключателем звука то оно меняется. Надо бы разобраться в чем конкретно дело: трубке, панели или проводке до квартиры. До замены старая открывала? Слышимость с новой трубкой в квартире и с улицы нормальная? Посторонних людей не слышите? Новую трубку вешали на те же повода? В режиме прозвонки диода тестером стать на контакты положенной трубки - должно звонится только в одну сторону и показать 580 - 680 где то в этих пределах. Осмотреть плату может где непропай трещины коротыши, нажатая кнопка чистый 0 должна показывать, динамик 45-50 и также промерять провода из стены чтобы никто к вам параллельно не подключился. Для проверки подключить новую трубку у соседей. Позвонить 115 оставить заявку "не открывает трубкой из квартиры" пусть разбираються.

    © Я всё сказал!
  • sakol2006 Member
    офлайн
    sakol2006 Member

    180

    13 лет на сайте
    пользователь #532592

    Профиль
    Написать сообщение

    180
    # 24 июля 2019 14:23
    arhitektor1988:

    sakol2006:

    Что ещё сделать? Какой сигнал обратно на домофон идёт для открытия?

    Открытие происходит при изменении сопротивления в линии, панель его контролирует, если пстрикать выключателем звука то оно меняется. Надо бы разобраться в чем конкретно дело: трубке, панели или проводке до квартиры. До замены старая открывала? Слышимость с новой трубкой в квартире и с улицы нормальная? Посторонних людей не слышите? Новую трубку вешали на те же повода? В режиме прозвонки диода тестером стать на контакты положенной трубки - должно звонится только в одну сторону и показать 580 - 680 где то в этих пределах. Осмотреть плату может где непропай трещины коротыши, нажатая кнопка чистый 0 должна показывать, динамик 45-50 и также промерять провода из стены чтобы никто к вам параллельно не подключился. Для проверки подключить новую трубку у соседей. Позвонить 115 оставить заявку "не открывает трубкой из квартиры" пусть разбираються.

    Спасибо за ответ. Старая открывала хорошо, слышимость с новой в обе стороны хорошая, кнопка работает с чистым 0, диод я дополнительно рабочий в линию перед трубкой врезал ничего не менялось, у нас 5этажка, вряд ли бы кто врезался и посторонних голосов не слышно... Проверю динамик, вообще не понимаю в чём проблема...

  • arhitektor1988 Member
    офлайн
    arhitektor1988 Member

    356

    12 лет на сайте
    пользователь #777352

    Профиль
    Написать сообщение

    356
    # 24 июля 2019 14:45 Редактировалось arhitektor1988, 2 раз(а).

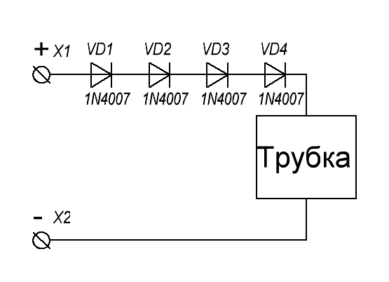
    Да не за что, даже интересно стало. Некоторые даже вешают несколько дополнительных диодов последовательно но это на Пиррс Люкс или 1000М. Cравните эту новую плату с типовой схемой из паспорта, если есть возможность фото сделайте, там какой то косяк с ней (странная перемычка R9 но может оказаться что резистор 51ом) и с подсветкой в разных партиях работает по разному пишут на форуме цифрала http://www.cyfral.ru/index.php?option=com_fireboard&func=view&id= ... id=8#10895

    © Я всё сказал!
  • sakol2006 Member
    офлайн
    sakol2006 Member

    180

    13 лет на сайте
    пользователь #532592

    Профиль
    Написать сообщение

    180
    # 24 июля 2019 15:59 Редактировалось sakol2006, 2 раз(а).
    arhitektor1988:

    Да не за что, даже интересно стало. Некоторые даже вешают несколько дополнительных диодов последовательно но это на Пиррс Люкс или 1000М. Cравните эту новую плату с типовой схемой из паспорта, если есть возможность фото сделайте, там какой то косяк с ней (странная перемычка R9 но может оказаться что резистор 51ом) и с подсветкой в разных партиях работает по разному пишут на форуме цифрала http://www.cyfral.ru/index.php?option=com_fireboard&func=view&id= ... id=8#10895

    Кстати,если по тому форуму ориентироваться, то у меня доработанная версия, в которой при выкл трубки мигает один раз светодиод и идёт сбрасывание линии. Вот фото платы

    Кстати пробовал впаять 2 диода последовательно в линию, изменений нет...

  • arhitektor1988 Member
    офлайн
    arhitektor1988 Member

    356

    12 лет на сайте
    пользователь #777352

    Профиль
    Написать сообщение

    356
    # 25 июля 2019 02:13 Редактировалось arhitektor1988, 5 раз(а).
    их ставят для подключения цифраловской трубки к оборудованию Пиррс. Там просто без них после поднятия трубки вызов продолжает идти. Что поставить 4 диода или выпаять R1 будет равносильно, или то или то. На пиррс микро ничего не надо, эта панель может работает с любыми трубками и пирсовкими и цифраловскими без переделок. Это так для перестраховки. Если подключить трубку без R1 к панели цифрал она тоже будет работать.

    Вообще это решение не совсем правильное и придумали лентяи, мне оно не нравиться, не рекомендую.
    диоды любые обычно 4148 ходовые зачем нарисовали 4007 не знаю, может что 4148 вылетают чаще, ещё вместо них предлагают ставить один резистор от 100ом

    Эта трубка необычная. Видно что обозначения на плате немного не совпадают с тем что на схеме, но основные отличия это в подсветке кнопки открывания которая возможно и мешает открытию. Как насчёт попробовать отключить подсветку сдвинуть R11 паяльником аккуратно чтоб потом на место посадить.
    Получается что версия последняя, R9 одной стороной в воздухе висит и никуда не идёт (даже весь полигон тот с землёй не связан), если бы был на минусе то была бы постоянная индикация без звука. Интересно а при вызове на включённом звуке этот светодиод вверху на проводах загорается?

    © Я всё сказал!
  • sakol2006 Member
    офлайн
    sakol2006 Member

    180

    13 лет на сайте
    пользователь #532592

    Профиль
    Написать сообщение

    180
    # 25 июля 2019 22:04 Редактировалось sakol2006, 1 раз.
    arhitektor1988:

    их ставят для подключения цифраловской трубки к оборудованию Пиррс. Там просто без них после поднятия трубки вызов продолжает идти. Что поставить 4 диода или выпаять R1 будет равносильно, или то или то. На пиррс микро ничего не надо, эта панель может работает с любыми трубками и пирсовкими и цифраловскими без переделок. Это так для перестраховки. Если подключить трубку без R1 к панели цифрал она тоже будет работать.

    Вообще это решение не совсем правильное и придумали лентяи, мне оно не нравиться, не рекомендую.
    диоды любые обычно 4148 ходовые зачем нарисовали 4007 не знаю, может что 4148 вылетают чаще, ещё вместо них предлагают ставить один резистор от 100ом

    Эта трубка необычная. Видно что обозначения на плате немного не совпадают с тем что на схеме, но основные отличия это в подсветке кнопки открывания которая возможно и мешает открытию. Как насчёт попробовать отключить подсветку сдвинуть R11 паяльником аккуратно чтоб потом на место посадить.
    Получается что версия последняя, R9 одной стороной в воздухе висит и никуда не идёт (даже весь полигон тот с землёй не связан), если бы был на минусе то была бы постоянная индикация без звука. Интересно а при вызове на включённом звуке этот светодиод вверху на проводах загорается?

    Сверху индикатор не загорается когда звонят с включенным звуком, только загорается подсветка кнопки при звонке.. R11 как сдвину, отпишусь о результате..

  • RET_FRAN Senior Member
    офлайн
    RET_FRAN Senior Member

    24462

    15 лет на сайте
    пользователь #220835

    Профиль
    Написать сообщение

    24462
    # 31 июля 2019 18:48

    «Было ощущение, что я все время обманываю людей». Лайфхаки от домофонщика, как сэкономить деньги

    Еще полгода назад минчанин Алексей считал, что нашел работу мечты. Молодой человек, перепробовавший различные способы, наконец подобрал вариант по вкусу и устроился в одну из домофонных контор, думая, что будет приносить радость людям: приходить в их дома, устанавливать домофонные трубки, «лечить» провода. Но очень скоро понял, что политика у его «конторы» (впрочем, как и у всех остальных, потому как расценки на услуги в столице одинаковые) совсем иная: выжать из горожан как можно больше денег, даже если вопрос совсем копеечный. Буквально через месяц Алексей уволился: как говорится, не вынесла душа поэта. «У меня все время было ощущение, что я обманываю людей: там, где вопрос стоял только в разблокировке абонента, диспетчеры вешали на уши такую лапшу, что люди соглашались на замену целой трубки. А отказаться от выполнения задания, само собой, было нельзя: деньги, как правило, люди переводили заранее через ЕРИП. Поэтому решил, что уйду».
    Отойдя от работы, Алексей решил рассказать минчанам, как можно сэкономить на услугах домофонщиков. Молодой человек говорит, что все достаточно просто. По крайней мере для пользователей Cyfral.

    Не тормози – включай мозги
  • de_andrey Senior Member
    офлайн
    de_andrey Senior Member

    875

    13 лет на сайте
    пользователь #637175

    Профиль
    Написать сообщение

    875
    # 1 августа 2019 12:26

    Кто знает как "разблокировать" в домофоне свою кв? Принципиально не хочу платить деньги за воздух...

  • s3rgei Member
    офлайн
    s3rgei Member

    278

    16 лет на сайте
    пользователь #166606

    Профиль
    Написать сообщение

    278
    # 4 августа 2019 01:10 Редактировалось s3rgei, 1 раз.

    Подскажите, Cyfral Unifon Smart U вместо такой трубки будет работать?

  • s3rgei Member
    офлайн
    s3rgei Member

    278

    16 лет на сайте
    пользователь #166606

    Профиль
    Написать сообщение

    278
    # 7 августа 2019 09:06

    Есть кто, подскажите))

  • anasteicha Neophyte Poster
    офлайн
    anasteicha Neophyte Poster

    29

    14 лет на сайте
    пользователь #465201

    Профиль
    Написать сообщение

    29
    # 8 августа 2019 16:48

    Здравствуйте, подскажите пожалуйста кто должен красить входную домофонную дверь в подъезд? В ЖЭУ сказали,что окраска дверей производится за счёт населения.

  • Vasilyevi4 Member
    офлайн
    Vasilyevi4 Member

    194

    14 лет на сайте
    пользователь #434400

    Профиль
    Написать сообщение

    194
    # 9 августа 2019 09:27 Редактировалось Vasilyevi4, 1 раз.
    s3rgei:

    Есть кто, подскажите))

    Должно работать. https://berkut.by/catalog/domofonnye_sistemy/trubki_domofona/trub ... _u_belaya/
    Я себе, не разобравшись, купил в ОМА Smart U. Оказалось, мне не подходит, у меня система ПИРРС. Пришлось покупать ещё одну Smart B.

  • colanastya Junior Member
    офлайн
    colanastya Junior Member

    46

    13 лет на сайте
    пользователь #660785

    Профиль
    Написать сообщение

    46
    # 20 августа 2019 10:10

    Всем доброе утро!
    Ребята, есть кто-то, кто сталкивался с обслуживающей организацией по домофонам Кварц-Авто сервис?’

    Сложилось ощущение , что там работают мошенники: игнорируют заявки на ремонт+ врут нагло, что не могут дозвониться( хотя и не звонил никто)
    Что делать?

    Niffenegger19812