vovchik_romualdovich:Эти чудики тянут балансники из промки в бытовуху, тупо шоб попонтоваться и срубить зелени, типа, чего бы ещё замутить. Но реально за 50-600 Ом, переходить врядли кто будет, потому как это бытовка. Балансник это когда пред стоит в хате, а оконечник за 50-100 метров, в гараже и уровень сигнала конский.
А при длине межблочника 0,5-2 метра всё это мутить., ну не знаю.
Опять вспоминается "путь самурая".
Мне просто интересно, куда ещё заведёт этот бурный поток инженерного сознаеия
аудио бытовуху.
Применительно к теме он может привести к РР схемам без ФИ, поскольку при балансном выхлопе он уже есть, причем абсолютно симметричный. Едиственное, РГ несколько усложнит конструкцию. Хотя, при самом простом (не самом точном, но достаточном) подходе с двумя раздельными 2-х секционными потенциометрами и не особо. В общем, это решаемо несколькими способами.
А так, конечно, оно не нужно. Но не стоит забывать, что архитектура практически всех современных мс ЦАП балансная. И это не из-за денег и маркетинга. А когда оно уже есть, ничего не стоит вывести соотв. коммутацию. И взять за это доп. денег, да.
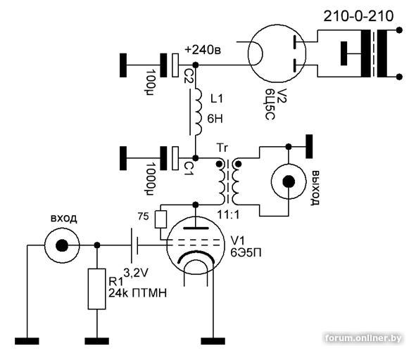
Если вдруг кому нечего делать совсем, у меня есть такие. Большие значения индуктивности и в тоже время широкополосность. Есть замеры с нештатными значениями импеданса, в тч. на импульсном сигнале, Дино просил когда-то сделать. Оно все просто по использованию, но если совсем без головы, занятие так себе. Вариантов применения множество, от ФИ и гальваноразвязки до пассивного преда. Я не сторонник конструкций с трансформаторами в цепи сигнала количеством более одного на канал, тем более в отсутствие необходимости. Так что наиболее правильным наверно использовать с МС или как УН для полупроводниковых схем. Последнее вполне эксклюзив будет, можно пиарить.

аудио бытовуху. 


