Не туда заплатил, ну и ладно.

|
офлайн
vovchik_romualdovich
Senior Member
|
|
|
11936 |
15 лет на сайте Город:
|
|
офлайн
mixing-mastering
Senior Member
|
|
|
17416 |
10 лет на сайте Город:
|
|
офлайн
mixing-mastering
Senior Member
|
|
|
17416 |
10 лет на сайте Город:
|
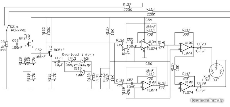
Закончил на 98% схему электрическую принципиальную всего аппарата. Развожу в данный момент плату балансного выхода. Кстати, вопрос. Половина фирмачей реализует идею с помощью маленького трансформатора. А другая половина отделывается просто операционниками. Что трушнее?

или

Чисто ламповых балансных выходов я не нашёл.
nemo-nigl:Dess, Трансформатор на выходе правильнее и серьёзней.
Так-же и на входе.
И я даже его нашёл! Вот он! Зы, какая бусенька! https://www.hammfg.com/electronics/transformers/audio/107
|
офлайн
mixing-mastering
Senior Member
|
|
|
17416 |
10 лет на сайте Город:
|
Dess:Что трушнее?
ну ты сравнил
Dess:бусенька!
не совсем то пальто..300Гц снизу, но это на 150мВт, конечно, а у тебя там токи во много раз меньшие через обмотку...
так-то это обычный дибокс, к трансикам особо не критичен, на 600 Ом работать, а то и выше...
мне как-то больше лундалы в таких местах встречались..
ставил недавно похожий трансик малыш в дибокс, пермаллоем укутывал, так он в балансном включении на вход миксера с 10-метровым кабелем - 40Гц легенько держал...а ниже и не нужно...
|
офлайн
Слава-Космонавт
Senior Member
|
|
|
3377 |
9 лет на сайте Город:
|
Dess:Развожу в данный момент плату балансного выхода. Кстати, вопрос. Половина фирмачей реализует идею с помощью маленького трансформатора. А другая половина отделывается просто операционниками. Что трушнее?
Гитаристу, и бас-гитаристу трушнее иметь Direct Box (DI-бокс) отдельно от комбика.
На мало-мальски-солидных концертных площадках и в более-менее-приличных студиях они есть довольно высокого уровня (и активные, и пассивные). Наличие встроенного балансного выхода в трушном ламповом комбике создаст проблемы и там и там.
BOSS DI-1 기반 HOLYGRAIL Reverb, EL Capistan Acousticpedalboard/원미사운드
Слава-Космонавт, Не создаст. В обычном режиме работы он просто отсоединён релюшкой от остальной схемы.
|
офлайн
Слава-Космонавт
Senior Member
|
|
|
3377 |
9 лет на сайте Город:
|
Apple Records эту балансную "разводку" всего и вся применяла на записях ---->
The Beatles - Hey Jude
|
офлайн
vovchik_romualdovich
Senior Member
|
|
|
11936 |
15 лет на сайте Город:
|
курчавый:Тебе на КАМАЗЕ на радиорынок надо ездить.
Скорее на мусоровозе.
На Камазе на Жданы не пускают.
Dess:Слушаю Judas Priest 1978 года. Это практически портвейн.
Я год назад, в телеге, своим 30-летним айтихам, пару треков этих Пристов запастил, они чуть меня из группы не выкинули.
Сами сидят, какую-то кислоту слушают, аж зубы сводит. ![]()
|
офлайн
mixing-mastering
Senior Member
|
|
|
17416 |
10 лет на сайте Город:
|
nemo-nigl:Так-же и на входе.
это только если микрофон
с остальными источниками возникнут вопросы
vovchik_romualdovich:какую-то кислоту слушают, аж зубы сводит.
лечить шансоном с матами 
mixing-mastering, Микрофон само собой.
Вот электрогитар с балансным выходом не встречал.
И бывают ли такие в природе? Примочки гитарные вроде бывают с балансным выходом. Хотя может и ошибаюсь.
Dess:Половина фирмачей реализует идею с помощью маленького трансформатора. А другая половина отделывается просто операционниками. Что трушнее?
При таком количестве TL07х уже без разницы. Прикрути на выхлоп класс D и выйдет женелек...
![]()
|
офлайн
mixing-mastering
Senior Member
|
|
|
17416 |
10 лет на сайте Город:
|
nemo-nigl:mixing-mastering, Микрофон само собой.
Вот электрогитар с балансным выходом не встречал.
И бывают ли такие в природе? Примочки гитарные вроде бывают с балансным выходом. Хотя может и ошибаюсь.
Гитары рэкэнбеккер бас некоторые, Статус и т.д. - балансный стереовыход, педалей с трансиком - сколько угодно, все преампы, вся обработка балансная, все цапы-ацп многоканальные...баланс
но тут случай особый - гитарный вход
и гитар у музыканта обычно больше двух, чаще больше десятка...балансный выход будет иметь максимум одна ![]()
Т.е. стратокастер(фендер) или лэспол(гибсон) - обязаны играть, а они никогда баласных выходов не имели...
иначе это не усилитель, такие вот критерии..
Мне кажется, вы немного не про то. Одно дело DI-Box, когда ты хочешь гальванически развязать гитару или согласовать вход и выход различных девайсов. Здесь же, в усилителе, реализовано что-то типа линейного, балансного выхода. Специальная релюшка позволяет выбрать в качестве источника либо выход предусилителя, либо 8-омный выход трансформатора. Если применим на выходе трансик, то точно не спалим дорогущую звуковушку. А если не применим, то тоже не спалим. Наверное. Там отдельное питание 24В. К преду и к 8 омам блок подключается через резисторы 330К.
TL07 я решил не использовать. Есть такая крутейшая серия у TI, называется OPA x134. Вот на ней хочу замутить сие.
Через VPN треба: https://www.ti.com/document-viewer/OPA2134/datasheet?keyMatch=OPA ... se=GPN-ALT
Dess:Есть такая крутейшая серия у TI, называется OPA x134. Вот на ней хочу замутить сие.
Нормально, в соответсвии с бюджетом. Крутейшие это OPA627, OP42...Вполне можешь поставить 5532, они копейки стоят. Правда, вход у них не полевой и не гарантируется устойчивость при единичном Ку, но у TI-ных вопросов с этим не было. А так вполне приличные ОУ. Уже лет 30, если не больше.
Но какие бы не были, только не чипдипе и не на али!
TL07х можно и в чипе наверно, едва ли их будут подделывать, хотя, не удивлюсь и этому. Вообще, есть мнение, что 140уд8 с них драли. Но это не так. УД8 как по мне, сильно гораздее, особенно в индустриальных мет. корпусах. Но буферить надо во многих случаях.