larion:в одну кучу валить все вопросы не нужно,когда вокруг одного резистора две страницы ходим...
ну, и я ещё, дурень, влез)))
|
офлайн
andrejj-medan
Senior Member
|
|
|
6754 |
14 лет на сайте Город:
|
larion:в одну кучу валить все вопросы не нужно,когда вокруг одного резистора две страницы ходим...
ну, и я ещё, дурень, влез)))
|
офлайн
mixing-mastering
Senior Member
|
|
|
17438 |
10 лет на сайте Город:
|
мы вообще не касаемся высокоомных источников, речь про низкоомные
но сеточный - всеравно 1 мом
вот в этом и вопрос...
только не пиши, что макинтошевцы не в курсе про кабели, это просто смешно...
andrejj-medan:и я ещё, дурень, влез
Так и я не лучше...
Вернее,хуже...
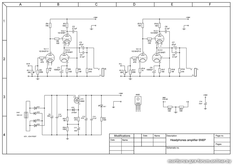
Граждане, прошу совета по уменьшению громкости ушника.
Источник ЦАП с выходом 2 вольта, 75 ом. Основные наушники 300 Ом 103 дБ. Комфортная регулировка громости в очень маленьком диапазоне, неудобно. Подкинул на межблочник 100 кОм резисторы - стало от минимума до 9 часов, все равно неудобно.
Можно ли в схеме придушить уровень входного сигнала?
|
офлайн
mixing-mastering
Senior Member
|
|
|
17438 |
10 лет на сайте Город:
|
Нуачо, ветка мертвая лежит месяц, а тут такой вопрос..
Буржуи почему-то не спорят на этот счет.Все четко - 1 мом.
Отечественное мнение такое - а пофигу, можно любой..
причем ,как оказалось - на многих русскоязычных форумах задаются таким вопросом, и ответов нет..
разницу в звуке слышат, а почему - вопрос..
moriturus:Источник ЦАП с выходом 2 вольта, 75 ом.
так аттенюатор по входу собрать 1:10 на тех же резисторах
moriturus, 1.делитель на входе,можно еще один подстроечный потенциометр. 2.делитель на выходе. Там резисторы чуть помощнее нужны. Скажем,для начала 330ом(вверху)+110ом (внизу,на общий),с нижнего резистора на ухи. Желаемый Кдел подбором номиналов.Но так,чтобы общая нагрузка по вых не стала менее оптимальной,ну условно сейчас 300ом наушники.
PS.Во втором случае будет и ослабление фона\помех,если они имеются.
|
офлайн
mixing-mastering
Senior Member
|
|
|
17438 |
10 лет на сайте Город:
|
larion:Серийные конструкции,к которым предъявляются требования универсальности,это отрицательный пример
да говорили про резистор, а вывод получился такой - серийное - гамно, да здравствует самопал...
неожиданно ![]()
mixing-mastering:не от "домашних гениев"
mixing-mastering:да здравствует самопал...
Я не понял,ты НАС,радиоаматарау,еще и оскорбить пытаешься?
Так мы серийных повидали,если што,и с синими кондерами и с черными,за много денег,правду напишем при случае,но сейчас не за то разговор...
|
офлайн
mixing-mastering
Senior Member
|
|
|
17438 |
10 лет на сайте Город:
|
larion:НАС,радиоаматарау,еще и оскорбить пытаешься?
э нет, я тоже им был, и радиостанция и антенна все законсервировано и в полном порядке..
тут больше придирки к менталитету и абыякавасти
-какой ставить? - да блин, ставь какой есть - любой
-так по схеме же вот
-а пофигу - ты не на заводе - ляпи!
гамняный серийный аппарат - прямой путь в банкротство и нищету, гамняный самопал - в худшем случае - на свалку или в гараж..а так - ничего страшного
пс
завод имелся ввиду не тутошний
Вот сколько времени тут потрачено на выяснение очевидного? Уже можно было для себя просто спаять потенциометр с резистором и тупо измерить тестером,если посчитать при разных положениях РГ не получается.Ну такая вот наскальная живопись на 2287-й странице ламповой темы
.А если по другому никак...

|
офлайн
mixing-mastering
Senior Member
|
|
|
17438 |
10 лет на сайте Город:
|
"у меня есть товарищ, который за 5 минут так червонец нарисует"(с)
не, не - давай заводскую схемку
и с триодом на входе
не так все очевидно, как оказалось
Ну тут триодное включение,да какая пофиг разница,если резистор и потенциометр те же,они только и определяют сопротивление с сетки на землю. Вообще, зная пару ботаников после РТИ,копающихся в ТТХ паспортов,я о чем-то догадывался,но не думал,что настолько...
mixing-mastering:гамняный серийный аппарат - прямой путь в банкротство и нищету
Таладно,расскажи это Прималуне и нифига не банкроты. Шлака буржуйского скока хошь,хоть транзисторного,хоть лампового. Не надо нас лечить,повидали...И повторять это не хочется ни разу.
|
офлайн
mixing-mastering
Senior Member
|
|
|
17438 |
10 лет на сайте Город:
|
larion:Ну тут триодное включение,да какая пофиг разница,
разница в том, что это не серийная схема
удивительно ,что такое нужно пояснять..
мои поиски кстати - увенчались успехом, подтверждение твоей теории я нашел только в таком керогазе,как ТУ-50
- там на микрофонных входах реально стоят низкоомные сеточные резаки...
ну вот, отечественный почерк, гордость берет за таких инженеров...я отлично помню как это все работало, у нас в школьной группе был такой "активный микшер"..дичь полная..
но мы же не будем ТУ-50 сравнивать с Макинтошами, которые не в курсе? ![]()
Одно из двух-либо ты ничего так и не понял,либо черное называешь белым сознательно. Оба варианта хуже...Прощай...
|
офлайн
mixing-mastering
Senior Member
|
|
|
17438 |
10 лет на сайте Город:
|
larion:Шлака буржуйского скока хошь,хоть транзисторного,хоть лампового.
это да..
но каким боком это к гридлику?
"тов. Троцкий, не навязывайте партии ненужную дискуссию"(с)
larion:Одно
примера акроме ТУ-50 от тебя не будет
я понял, пальцы можешь сдвинуть ![]()
|
офлайн
andrejj-medan
Senior Member
|
|
|
6754 |
14 лет на сайте Город:
|
larion:Скажем,для начала 330ом(вверху)+110ом (внизу,на общий),
вот пусть на вход и впаяет, ))) Хотя, цапу тяжёловато будет. В десять раз оба увеличь, а R2 выкинь и будет тебе счастье)) как раз к теме Rc ![]()
andrejj-medan:Хотя, цапу тяжёловато будет.
А может и нет,они забуферены хорошо многие,особенно те,где и наушники на одном выхлопе с линейным.
andrejj-medan:как раз к теме Rc
Да
andrejj-medan:от вариантов выходного источника
Это хорошо видно на примере головки ЗС,там требования в входному каскада стандартизированы 47к.И такие резисторы в сетках первых ламп фонкорректоров как правило и стоят. Было бы нужно 2ком в нагрузке-стояли бы 2ком.
|
офлайн
vovchik_romualdovich
Senior Member
|
|
|
11997 |
15 лет на сайте Город:
|
mixing-mastering:но то,что "любые от балды" можно ставить
Женьчик, не поверишь, я всегда так делаю, что нашёл в шуфлядке, плюс-минус лапоть и всё работает.
![]()
|
офлайн
andrejj-medan
Senior Member
|
|
|
6754 |
14 лет на сайте Город:
|
larion:Это хорошо видно на примере головки ЗС,там требования в входному каскада стандартизированы 47к.И такие резисторы в сетках первых ламп фонкорректоров как правило и стоят. Было бы нужно 2ком в нагрузке-стояли бы 2ком.
всё верно, и как пример.
|
офлайн
mixing-mastering
Senior Member
|
|
|
17438 |
10 лет на сайте Город:
|
vovchik_romualdovich:я всегда так делаю,
круто, как совдеповских аппаратов коснусь(свят,свят) - возьму на вооружение
пс
я вот думаю еще один твой ноу-хау перенять - на любые теоретические вопросы говорить - это все ковидла, не помню нихрена...
Так-то оно поспокойней и повеселей будет ![]()