mixing-mastering:
почему они именно 1 мом
ты же утверждаешь что любой можно ставить
Потому что ты не читаешь,а только пишешь...
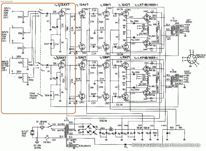
Тебе уже два человека,я и Орка,объяснили,что сеточный резистор не должен существенно изменять х-ку РГ. И в данном случае исходя из потенциометра 250к был выбран четырехкратный номинал Rсетки,но чтобы и лампа в стабильном режиме была. Был бы другой номинал РГ,соотв. и сеточный можно уменьшить.Но тебе уже сказал Андрей про возможность работы с высокоомными источниками,отсюда и выбор номиналов вх.цепей там.
andrejj-medan:
эти ребята работают с высокоомными источниками
Так и сегодня есть,скажем, у Квод предварь на одной лампе,он требователен в входному УМ,ну собственно он и заточен под их же моноблоки,это частный случай.
В радиолюбительских конструкциях,работающх с современными источниками оправдано применение относительно низкоомных РГ, исключение разд.конденсаторов и отсутсвие селектора,если источник один. Серийные конструкции,к которым предъявляются требования универсальности,это отрицательный пример с этой точки зрения.Ну и не только с этой,если уж на то пошло,но в одну кучу валить все вопросы не нужно,когда вокруг одного резистора две страницы ходим... 