Ответить
  • OrcaXXX Senior Member
    офлайн
    OrcaXXX Senior Member

    6842

    19 лет на сайте
    пользователь #80033

    Профиль
    Написать сообщение

    6842
    # 4 декабря 2021 15:01 Редактировалось OrcaXXX, 1 раз.
    Добрый_Дедушка:

    -+30v. У них, что в ту пору транзюков не было под данное напряжение. Лампы, самое то...

    Транзисторами лохов не окучишь, а так "Новый лаповый буфер от MUSICAL FIDELITY в ляминцевом бочонке!!!!!". И это всё питается от одного трансика на ~12V, вот как нужно экономить.

    Errare humanum est ...
  • larion Senior Member
    офлайн
    larion Senior Member

    16935

    17 лет на сайте
    пользователь #148304

    Профиль
    Написать сообщение

    16935
    # 4 декабря 2021 15:07

    Это очень древнее их изделие (четверть века).У меня оно было в оригинале,как и др.бочонки-фонкорректор,цап...Буфер был самым недорогим из них,насколько помню...

    Добавлено спустя 1 минута 1 секунда

    Корректор,кстати,на 5532,ламп там не было.

    Собрать стадо из баранов легко — трудно собрать стадо из кошек. (С.Капица)
  • vovchik_romualdovich Senior Member
    офлайн
    vovchik_romualdovich Senior Member

    12055

    15 лет на сайте
    пользователь #329231

    Профиль
    Написать сообщение

    12055
    # 4 декабря 2021 15:38
    mixing-mastering:

    Не, Вован, с фидером израилевечем

    Ойц! :) :beer:

    Добавлено спустя 2 минуты 26 секунд

    С деффками, сегодня что то туго. :)

  • stellon Senior Member
    офлайн
    stellon Senior Member

    5551

    12 лет на сайте
    пользователь #979784

    Профиль
    Написать сообщение

    5551
    # 4 декабря 2021 15:46
    larion:

    Это очень древнее их изделие (четверть века).У меня оно было в оригинале,как и др.бочонки-фонкорректор,цап...

    А бочёнки те часом не на нувисторах были?

    Тормозить прогресс также увлекательно, как и творить его...©
  • larion Senior Member
    офлайн
    larion Senior Member

    16935

    17 лет на сайте
    пользователь #148304

    Профиль
    Написать сообщение

    16935
    # 4 декабря 2021 16:00

    Не,бочонок с лампами только этот был и там стандартные пальчиковые триоды.А на нувисторах они тоже что-то делали,но это другая серия изделий.

    Собрать стадо из баранов легко — трудно собрать стадо из кошек. (С.Капица)
  • stellon Senior Member
    офлайн
    stellon Senior Member

    5551

    12 лет на сайте
    пользователь #979784

    Профиль
    Написать сообщение

    5551
    # 4 декабря 2021 16:26

    Но эти ж тоже бочёнки?

    Тормозить прогресс также увлекательно, как и творить его...©
  • larion Senior Member
    офлайн
    larion Senior Member

    16935

    17 лет на сайте
    пользователь #148304

    Профиль
    Написать сообщение

    16935
    # 4 декабря 2021 16:37

    Ну да,но говорю же,это др.серия и стоила она значительно дороже и буфера я там не помню.А в этой,подешевле,тоже были и пред в таком же корпусе и бочонки-моноблоки УМ.Схемы УМ там такие же,как в Е серии,а пред тоже самое,только без вых.каскада.А с лампами только этот буфер.

    Добавлено спустя 5 минут 25 секунд

    B СD плеер тоже был такой же овальный,Х-RAY по моему.Все через меня прошли,а некоторые и сейчас у знакомых и друзей.

    Добавлено спустя 4 минуты 47 секунд

    А вот следы буфера затерялись в истории...Ну это самый бесполезный девайс во всей линейке,второй по табелю - пред с темброблоком в таком же корпусе...

    Собрать стадо из баранов легко — трудно собрать стадо из кошек. (С.Капица)
  • oleg_s Senior Member
    офлайн
    oleg_s Senior Member

    10385

    22 года на сайте
    пользователь #16242

    Профиль
    Написать сообщение

    10385
    # 4 декабря 2021 16:49 Редактировалось oleg_s, 1 раз.
    stellon:

    Но эти ж тоже бочёнки?

    Это ж хорошие колесья в машину можно купить за такие баблы, вместо боченков :roll:
    Или холодильник с колбасой.

    Я не паэта, о крый мяне Божа!
  • mixing-mastering Senior Member
    офлайн
    mixing-mastering Senior Member

    17473

    10 лет на сайте
    пользователь #1683425

    Профиль
    Написать сообщение

    17473
    # 4 декабря 2021 16:57

    ну или большой боченок крафтового пива

    экс-Jenik
  • OrcaXXX Senior Member
    офлайн
    OrcaXXX Senior Member

    6842

    19 лет на сайте
    пользователь #80033

    Профиль
    Написать сообщение

    6842
    # 4 декабря 2021 16:57
    oleg_s:

    Это ж хорошие колесья в машину можно купить за такие баблы, вместо боченков
    Или холодильник с колбасой.

    А за пару 300B от WE? ;) https://www.westernelectric.com/300b

    Errare humanum est ...
  • larion Senior Member
    офлайн
    larion Senior Member

    16935

    17 лет на сайте
    пользователь #148304

    Профиль
    Написать сообщение

    16935
    # 4 декабря 2021 16:59

    Ну колеса....Это еще что,детский лепет,у MF есть изделия,сопоставимые с ценой твоей машины целиком,когда она новая была...

    Собрать стадо из баранов легко — трудно собрать стадо из кошек. (С.Капица)
  • oleg_s Senior Member
    офлайн
    oleg_s Senior Member

    10385

    22 года на сайте
    пользователь #16242

    Профиль
    Написать сообщение

    10385
    # 4 декабря 2021 17:03

    OrcaXXX, За роритеты и не такое платят, то не пример, тем более реально 300В хороша, а за новодел, что по схеме :-?
    larion, Да не вопрос, у меня "сиротская" машина, не очень и дорогая, чисто колеса и мотор, а тут за здюльку 2К.
    Черные квадраты пойти рисовать шоли.

    Я не паэта, о крый мяне Божа!
  • larion Senior Member
    офлайн
    larion Senior Member

    16935

    17 лет на сайте
    пользователь #148304

    Профиль
    Написать сообщение

    16935
    # 4 декабря 2021 17:12

    Ну ты что,первый год замужем и не знаешь цен на топовые аудиопродукты? Каких 2к? 22к и это старт...

    oleg_s:

    Черные квадраты пойти рисовать шоли.

    Зачем,Даниэл Герц от Марка L тебе в мысли-сопоставь цену с тем,что внутри тех усилителей.Да MF просто ангелы...

    Добавлено спустя 2 минуты 27 секунд

    С другой стороны полно изделий,имеющих вых.буферы на лампах,как правило катодные повторители.И тогда можно забыть о ТТХ цап.И это в дорогих тоже,Соник Фронтерс,например.А тут по другому решено.Ну в общем,оно существует в количестве и многие пользуются и не жужжат...Специально,конечно,делать такую отдельную приблуду это бред...

    Собрать стадо из баранов легко — трудно собрать стадо из кошек. (С.Капица)
  • stellon Senior Member
    офлайн
    stellon Senior Member

    5551

    12 лет на сайте
    пользователь #979784

    Профиль
    Написать сообщение

    5551
    # 4 декабря 2021 17:23
    oleg_s:

    Это ж хорошие колесья в машину можно купить за такие баблы, вместо боченков :roll:
    Или холодильник с колбасой.

    Дык это они в 1998м столько стоили. Так что два холодильника, и на портсигар ещё останется. :)

    Тормозить прогресс также увлекательно, как и творить его...©
  • oleg_s Senior Member
    офлайн
    oleg_s Senior Member

    10385

    22 года на сайте
    пользователь #16242

    Профиль
    Написать сообщение

    10385
    # 4 декабря 2021 17:28

    Да ясно, что годы работаются на имя, потом имя работает на работавшего :D
    Но надо быть в струе...

    Я не паэта, о крый мяне Божа!
  • Добрый_Дедушка Senior Member
    офлайн
    Добрый_Дедушка Senior Member

    12446

    12 лет на сайте
    пользователь #1113377

    Профиль
    Написать сообщение

    12446
    # 4 декабря 2021 17:31 Редактировалось Добрый_Дедушка, 1 раз.

    oleg_s,терпи родной. Ты ведь БМВ владеешь. А в нее фуфлыжные детали себе дороже.

  • oleg_s Senior Member
    офлайн
    oleg_s Senior Member

    10385

    22 года на сайте
    пользователь #16242

    Профиль
    Написать сообщение

    10385
    # 4 декабря 2021 17:40
    Я не паэта, о крый мяне Божа!
  • stellon Senior Member
    офлайн
    stellon Senior Member

    5551

    12 лет на сайте
    пользователь #979784

    Профиль
    Написать сообщение

    5551
    # 4 декабря 2021 17:41
    larion:

    Ну да,но говорю же,это др.серия

    Да, посмотрел, первая серия в бочёнках именовалась "Х". А самое первое изделие в серии, тот самый буфер "Х10D" на лампе.
    Проба пера, короче... :XD)

    Тормозить прогресс также увлекательно, как и творить его...©
  • larion Senior Member
    офлайн
    larion Senior Member

    16935

    17 лет на сайте
    пользователь #148304

    Профиль
    Написать сообщение

    16935
    # 4 декабря 2021 17:46
    oleg_s:

    Да ясно, что годы работаются на имя, потом имя работает на работавшего

    Ну вот первый их усил,который они в гараже сделали,он хороший был.Не так уж давно они перевыпустили даже его обновленную версию.Я платы купил у китайцев (надо допилить :D ),хочу сделать только на чутка др.элементной базе,но пока не до того...

    Справедливости ради,были и др.нормальные изделия и в общем эти ребята знают,что к чему в аудио.Но со временем набрались наглости,стали иконой и конечно денег срубить не дураки...Но порой зашкаливает.Пред им ламповый за 12.000$ простить не могу :D Даже не в цене дело,по черному экономить в таком девайсе уже перебор.

    Собрать стадо из баранов легко — трудно собрать стадо из кошек. (С.Капица)
  • Dess Senior Member
    офлайн
    Dess Senior Member

    1343

    14 лет на сайте
    пользователь #471349

    Профиль
    Написать сообщение

    1343
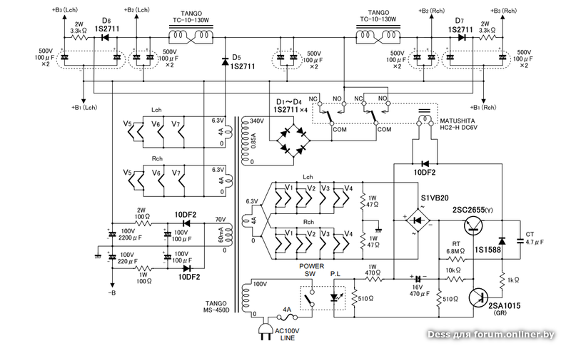
    # 4 декабря 2021 18:08

    Вот схема блока питания от Hi-Fi стерео усилителя. Растолкуйте, плиз, для чего в схеме диод D5, что дают такие аццко-дорогие дроссели TANGO, и как работает реле MATUSHITA HC2-H? Мне кажется в любом положении контактной группы высокое напряжение будет в схеме.