Добрый_Дедушка:включая, глухонемых и безруких)))
Напомнило мне про наклейку в автобусе - "место для собаки поводыря". Вот интересно, кто её должен увидеть, не зрячий, или его собака?
Добрый_Дедушка:включая, глухонемых и безруких)))
Напомнило мне про наклейку в автобусе - "место для собаки поводыря". Вот интересно, кто её должен увидеть, не зрячий, или его собака?
|
офлайн
mixing-mastering
Senior Member
|
|
|
17424 |
10 лет на сайте Город:
|
oleg_s:Выдается вопрос - е то-то и то-то,
думаю это, или?
Не, ну, я иногда задавал тебе сферические вопросы, на которые ты блестяще находил ответ, но, то было гуглю не подвластно.
А по ФИ так даже не интересно.
ЗЫ.А кому очень интересно, могу порекомендовать литературу, она в свободном доступе.
stellon:она в свободном доступе.
Опишите состояние радикального похмелья
-В комнате громко тикали солнечные часы
![]()
Хорошо вам академикам спорить о высоком. Уж я был осторожен как разведчик Карацюпа. Мне малявка принесла блок питания от ноутбука. Провод перетёрся. Я мастерски вскрыл его и получил такой разряд от небольшого, на вид, конденсатора, что палец до сих пор горит огнём.
|
офлайн
Добрый_Дедушка
Senior Member
|
|
|
12391 |
12 лет на сайте Город:
|
Добрый_Дедушка:
Не получается каждый месяц выдавать на гора гитарный усилитель. Из-за растянувшихся на пол мира нудных экономических связей. Но с удовольствием выдавал бы. Потому что столько интересного и всё хочется попробовать.
Кстати, на разных трансформаторных форумах встречаются упоминания о мастере Шалине. Иногда к нему апеллируют как к большому авторитету. Оказывается, он очень крут именно в гитарных трансах. И конкретно их намотал. Под любые лампы и стили музыки.
|
офлайн
vovchik_romualdovich
Senior Member
|
|
|
11947 |
15 лет на сайте Город:
|
|
офлайн
Добрый_Дедушка
Senior Member
|
|
|
12391 |
12 лет на сайте Город:
|
|
офлайн
vovchik_romualdovich
Senior Member
|
|
|
11947 |
15 лет на сайте Город:
|
stellon:ЗЫ.А кому очень интересно, могу порекомендовать литературу, она в свободном доступе
Юра, литература, как и искусство, изменчива.
Добрый_Дедушка:Неси стакан((( пятница скоро.
Дождалси. Уже.
|
офлайн
Добрый_Дедушка
Senior Member
|
|
|
12391 |
12 лет на сайте Город:
|
Может хватит умничать? Ламповой теории уже лет 70! или даже 100.
Сто лет уже прошло как Бонч-Бруевич отсосал вакуум , а они всё спорят какой должен быть ФИ.
Да, ФИ появился на свет где-то около 1948 года....
|
офлайн
Добрый_Дедушка
Senior Member
|
|
|
12391 |
12 лет на сайте Город:
|
курчавый, водка, без селедки...деньги на ветер.
Добрый_Дедушка:Гретой стать
Вы про внешность? Нет, про сознание. 3 сорт, никогда не был браком))) а вообще грех это.
Не буду уходить от темы. Обязательных 2 ламповых изделия в студию. Утром и вечером.

stellon:Пять страниц уже наклепали, а Германа всё нет((.
Выскажу своё мнение. Подавляющему большинству выходных тетродов/пентодов вполне подойдёт ФИРН, учитывая, что на выходах ФИРНа нельзя получить амплитуду больше 1/4 напряжния питания каскада, а на практике и ещё меньще.
Да, ФИРНом мжно и с "дубовыми" триодами, но, тогда и напряжение питания такого каскада нужно задирать чуть ли не в двое, и ток ламп в таком каскаде должен быть весьма приличным, чтобы прокачать входную ёмкость выходных триодов.
Спасибо. Этот вариант и буду рассматривать. Однако, выходные тетроды вероятнее всего буду включать УЛ.
|
офлайн
Добрый_Дедушка
Senior Member
|
|
|
12391 |
12 лет на сайте Город:
|
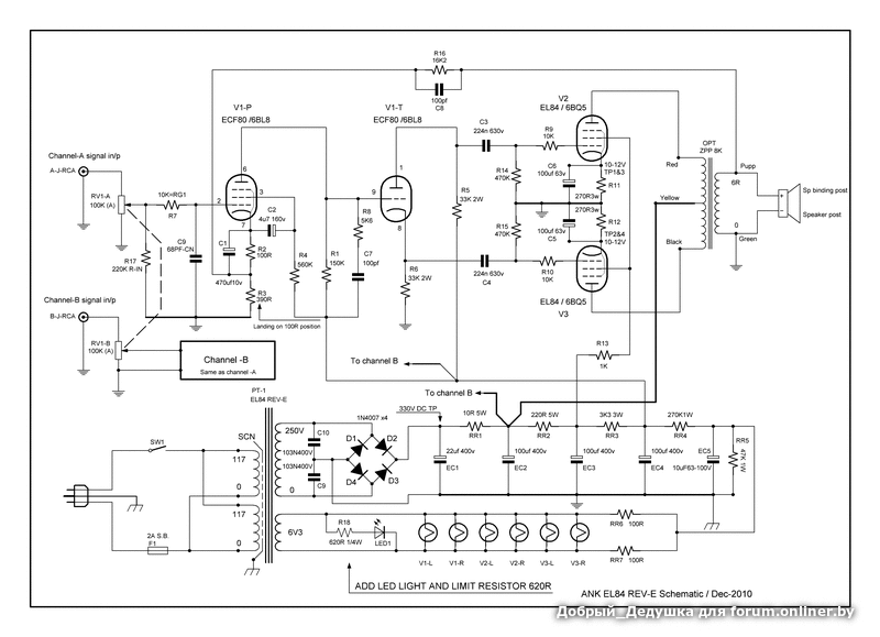
Маэстро48, Вот две схемки из прошлого века. Вторую схемку повесил из за наглядности построения БП и разводки земель. Может найдете для себя что нибудь полезное.


Добрый_Дедушка, благодарю! Пригодится, безусловно! А какова роль цепочки R6С3 в первой схеме? Не встречал раньше. И еще: в ФИ у триодов соединены катоды. У меня есть две штуки 6Н7С с уже общим катодом. Я понимаю, что это далеко не аналог ЕСС83, но, на Ваш взгляд, есть смысл хотя бы поэкспериментировать, просчитав анодные и катодные резисторы? Или уж сразу 6Н2П? Ну и в качестве первого пентода попробую прикинуть возможность 6Э5П.
Добрый_Дедушка:Маэстро48, Вот две схемки из прошлого века. Может найдете для себя что нибудь полезное.
Если обращаться к классике прошлого века, двухтакт с ФИРН на двойном триоде и УЛ, то динако-35 имхошно вне конкуренции. Raa 8 кОм, то есть коэффициент трансформации ТВЗ для 4 Ом около 40/1, УЛ отвод от 30-40% витков, считая от центра первички. Осовременить чутка, больше ёмкости электролитов, при такой напруге питания - 6П3С само то. Я его раз шесть-семь делал с мелкими изменениями, чаще с 6П14П и пониже анодное питание. Можно и в пентоде без УЛ, мощность чуть выше.
Приведённые вами две схемы или с огромным коэффициентом усиления, верхняя благодаря доп каскаду перед ФИ, нижняя благодаря пентоду, он душится только глубокой ОООС
