Ответить
  • oleg_s Senior Member
    офлайн
    oleg_s Senior Member

    10366

    22 года на сайте
    пользователь #16242

    Профиль
    Написать сообщение

    10366
    # 12 ноября 2018 16:33

    Реальный VX-55 денех стОит под 500, имело смысл колхозить копии.

    Я не паэта, о крый мяне Божа!
  • HarryBLR Neophyte Poster
    офлайн
    HarryBLR Neophyte Poster

    15

    9 лет на сайте
    пользователь #1953395

    Профиль
    Написать сообщение

    15
    # 12 ноября 2018 19:58

    Всем спасибо, попробую поставить ГУ-50.

  • mixing-mastering Senior Member
    офлайн
    mixing-mastering Senior Member

    17458

    10 лет на сайте
    пользователь #1683425

    Профиль
    Написать сообщение

    17458
    # 12 ноября 2018 20:49 Редактировалось mixing-mastering, 2 раз(а).
    vovchik_romualdovich:

    А. Новиков, вроде как, даже, присел не хило, в 80-х, за такую деятельность.

    ну если почитать его книжку, то там все белыми нитками с обвинениями...
    это мой земляк по отцу :) бывал и видал...
    делались там Фендера и Маршаллы в основном...на азиатские республики шло, делали достойно
    потом это же производство закрутилось в Минске, в центр. районе
    летит времечко

    Добавлено спустя 2 минуты 6 секунд

    oleg_s:

    Реальный VX-55

    там от реального - только передняя панель, сделанная леваком на участке фотохимии, а потом уже пошла шелкография...внутрянка - обычная ламповая классика, без отклонений и ноухау 8)
    В оригинале этот япошка каменный, но до сих пор ценится почти под косарик

    экс-Jenik
  • vovchik_romualdovich Senior Member
    офлайн
    vovchik_romualdovich Senior Member

    12016

    15 лет на сайте
    пользователь #329231

    Профиль
    Написать сообщение

    12016
    # 12 ноября 2018 21:49
    mixing-mastering:

    делались там Фендера и Маршаллы в основном..

    Точно. Вспомнил. Был фильм про него (Новикова) и он там про это говорил, на канале Шансон ТВ.

  • PTAXA73 Senior Member
    офлайн
    PTAXA73 Senior Member

    802

    10 лет на сайте
    пользователь #1851250

    Профиль
    Написать сообщение

    802
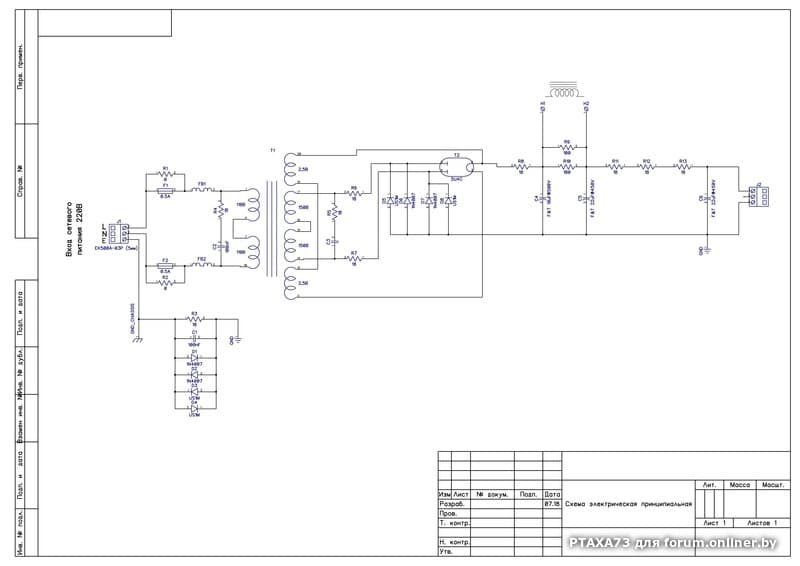
    # 13 ноября 2018 10:49 Редактировалось PTAXA73, 1 раз.

    Добавлено спустя 36 минут 42 секунды

    Вход напряжение: AC200-240V
    Выходное напряжение: Основное напряжение: DC200 В-520 В регулируемое..
    Точность регулирования напряжения: нагрузка + 3%, без нагрузки + 3% (вход AC230V, 300 Вт нагрузки)
    DC1, DC2 2,5 В-6,5 В регулируемый, Максимальная мощность 15 Вт, пиковый ток 7.5A
    DC3 фиксированный выход, напряжение 2,5 В-15 В, настраиваемая, максимальная мощность 10 Вт
    DC4 напряжение смещения 20 В-120 В регулируемое, максимальный ток 50мА
    300 Вт-400 Вт (непрерывная работа )
    Максимальная мощность: 600 Вт (5 мин).
    КПД 96%
    Размер ПП: 80*145*40 мм
    Как то так)

    Добавлено спустя 2 минуты 52 секунды

    pine, как параметры?
    Топология LLC resonant.
    Защиты:
    Отсутствие помех, стабильное выходное напряжение и интегрированный контроль по входному напряжению, перегреву, короткому замыканию.

    Все проходит
  • oleg_s Senior Member
    офлайн
    oleg_s Senior Member

    10366

    22 года на сайте
    пользователь #16242

    Профиль
    Написать сообщение

    10366
    # 13 ноября 2018 11:55 Редактировалось oleg_s, 3 раз(а).

    дел

    Я не паэта, о крый мяне Божа!
  • PTAXA73 Senior Member
    офлайн
    PTAXA73 Senior Member

    802

    10 лет на сайте
    пользователь #1851250

    Профиль
    Написать сообщение

    802
    # 13 ноября 2018 13:41 Редактировалось PTAXA73, 1 раз.
    oleg_s:

    дел

    Ответил в ЛС.

    Добавлено спустя 10 минут 15 секунд

    В этом включении кенотронный выпрямитель ведет себя также, как если бы он был чисто кенотронным, а влияние диодов достаточно неплохо подавляется, да и вообще находится где-то на грани нечувствительности. Я пока не встречал человека, способного отличить на слух кенотронный выпрямитель от гибридного.
    Вопрос веры и отношения ко всему этому...

    Все проходит
  • pine Senior Member
    офлайн
    pine Senior Member

    1707

    19 лет на сайте
    пользователь #72153

    Профиль
    Написать сообщение

    1707
    # 13 ноября 2018 14:03 Редактировалось pine, 1 раз.

    Накала маловато, всего по 2 ампера на 2 выхода. А, ещё есть один выход, можно под Накал драйвера на 1.5 А.

    two beer or not two beer
  • stellon Senior Member
    офлайн
    stellon Senior Member

    5551

    12 лет на сайте
    пользователь #979784

    Профиль
    Написать сообщение

    5551
    # 13 ноября 2018 14:09 Редактировалось stellon, 1 раз.
    PTAXA73:

    Топология LLC resonant.

    Вход напряжение: AC200-240V
    Выходное напряжение: Основное напряжение: DC200 В-520 В регулируемое..
    Точность регулирования напряжения: нагрузка + 3%, без нагрузки + 3% (вход AC230V, 300 Вт нагрузки)
    DC1, DC2 2,5 В-6,5 В регулируемый, Максимальная мощность 15 Вт, пиковый ток 7.5A
    DC3 фиксированный выход, напряжение 2,5 В-15 В, настраиваемая, максимальная мощность 10 Вт
    DC4 напряжение смещения 20 В-120 В регулируемое, максимальный ток 50мА
    300 Вт-400 Вт (непрерывная работа )
    Максимальная мощность: 600 Вт (5 мин).
    КПД 96%

    Жесть! Напряжения выше входного и ниже входного на одном трансформаторе. Даже думать страшно как оно там работает.
    Самое то для лампового аудио :trollface: .

    Не, ну работать то оно будет. Только вот на счет отсутствия помех, это, пожалуй, не совсем корректная информация.
    Под отсутствием помех там подразумевается отсутствие помех при переключении силовых ключей, которые характерны для других топологий ИИП. (т.е. не будет характерных выбросов напряжения при переключении) При этом ИИП с топологией LLC работает с переменной частотой преобразования в пределах 50 - 100 kHz. Да ещё сам принцип преобразования подразумевает использование нечетных гармоник синусоидального тока вплоть до 19-й ( а может и выше).
    В общем, не всё там так просто с помехами.

    Тормозить прогресс также увлекательно, как и творить его...©
  • PTAXA73 Senior Member
    офлайн
    PTAXA73 Senior Member

    802

    10 лет на сайте
    пользователь #1851250

    Профиль
    Написать сообщение

    802
    # 13 ноября 2018 16:38 Редактировалось PTAXA73, 2 раз(а).
    pine:

    Накала маловато

    Сколько нужно накала столько и будет. Это индивидуальный заказ.
    stellon,
    При 100kHz в динамиках звенящая тишина.
    Как то так.
    Р.S. Это то чего я экспериментально добивался более года.

    Все проходит
  • mixing-mastering Senior Member
    офлайн
    mixing-mastering Senior Member

    17458

    10 лет на сайте
    пользователь #1683425

    Профиль
    Написать сообщение

    17458
    # 13 ноября 2018 18:01

    на какой частоте звенит? :rotate:

    экс-Jenik
  • Добрый_Дедушка Senior Member
    офлайн
    Добрый_Дедушка Senior Member

    12428

    12 лет на сайте
    пользователь #1113377

    Профиль
    Написать сообщение

    12428
    # 13 ноября 2018 18:06 Редактировалось Добрый_Дедушка, 1 раз.

    А, для чего в гибридной схеме кенотрона, диоды парами спараллелены ?

  • Неизвестный кот Neophyte Poster
    офлайн
    Неизвестный кот Neophyte Poster

    0


    пользователь #199624

    Профиль

    0
    # 13 ноября 2018 19:51 Редактировалось Неизвестный кот, 2 раз(а).
    PTAXA73:

    При 100kHz в динамиках звенящая тишина.

    Странно если было бы иначе) Не слышим мы столько. Да и пищик не возьмет(не всякий по крайней мере)
    Вот когда полезный сигнал модулироваться этими 100кГц будет, вот тогда да. Но там же фильтрация нормально сделана, значит все будет ок? Никаких "морозных" верхов и "хрустальных" там чего-то...

    Добавлено спустя 21 секунда

    П.С.
    платка симпатичная.

  • Добрый_Дедушка Senior Member
    офлайн
    Добрый_Дедушка Senior Member

    12428

    12 лет на сайте
    пользователь #1113377

    Профиль
    Написать сообщение

    12428
    # 13 ноября 2018 20:12

    Что то я очкую, такие схемы применять. Успел убедиться в том, что разные источники напряжения, по разному откликается в звучании. Какие лучше, сам ещё не знаю. Масса противоречий информации. Всё нужно отслушивать и делать выводы.

  • Неизвестный кот Neophyte Poster
    офлайн
    Неизвестный кот Neophyte Poster

    0


    пользователь #199624

    Профиль

    0
    # 13 ноября 2018 20:31 Редактировалось Неизвестный кот, 2 раз(а).

    Люди говорят что хороший ИБП не слышно. Но у меня хороших нет, а те что есть, даже обвешанные дросселями и конденсаторами, все они "ярчат" в звуке. Правда в транзисторной технике, но думаю это не принципиально. Причем "ярчит" даже на класс Д унч:)
    За то возникает такой эффект "детальности")))
    П.С,
    Блоки переделанные из комп. БП и те что сейчас везде продают- в перфорированном оцинкованном корпусе, с болтовыми клемниками.

    Добавлено спустя 1 минута 18 секунд

    Импульсный БП м.б. на накал хорошо бы пошел, особенно на унч на прямонакалах.

  • Добрый_Дедушка Senior Member
    офлайн
    Добрый_Дедушка Senior Member

    12428

    12 лет на сайте
    пользователь #1113377

    Профиль
    Написать сообщение

    12428
    # 13 ноября 2018 21:30

    А, я заметил, что чем современнее и на первый взгляд, более оригинальнее БП. тем более плоский звук и полное отсутствие воздушности и лёгкости в звучании.

  • oleg_s Senior Member
    офлайн
    oleg_s Senior Member

    10366

    22 года на сайте
    пользователь #16242

    Профиль
    Написать сообщение

    10366
    # 13 ноября 2018 21:55 Редактировалось oleg_s, 1 раз.

    Вокруг GSM, WI-FI, импульсные питатели ВО ВСЕМ что шевелится.
    Яб этот питатель пробанул, и без кенотронов. Кондеров тока не жалеть на выходе.

    Я не паэта, о крый мяне Божа!
  • stellon Senior Member
    офлайн
    stellon Senior Member

    5551

    12 лет на сайте
    пользователь #979784

    Профиль
    Написать сообщение

    5551
    # 13 ноября 2018 22:12

    Если не считать, что я не очень понимаю как в представленном ИИП одновременно получаются низковольтные напряжения и напряжения выше 400В, то в целом LLC топология выглядит вполне привлекательно. LLC топология позволяет реализовать переключение ключевых элементов при нулевых токах и нулевых напряжениях, а это означает отсутствие паразитных выбросов при коммутации ключей, коими грешат ИИП "традиционных" топологий.
    С другой стороны, процесс преобразования с применением резонансной LLC топологии весьма напоминает преобразования в классе D.
    (скорее даже DSD :D ). Да и частоты преобразования лежат не так уж и далеко за пределами звукового диапазона. В общем, есть опасения, что работа такого преобразователя всё же может негативно сказаться на звуке. В виде какой "жести" оно может проявиться сказать не берусь, это слушать надо и тогда уже делать выводы. На мой розум, ИИП с топологией LLC вполне могут быть применимы в аудио до какого-то уровня качества этого самого аудио.

    Тормозить прогресс также увлекательно, как и творить его...©
  • Vlmax Senior Member
    офлайн
    Vlmax Senior Member

    5153

    15 лет на сайте
    пользователь #376010

    Профиль
    Написать сообщение

    5153
    # 13 ноября 2018 22:36

    ИБП в звуковой технике может быть вполне. Все выбросы и помехи от работы ИБП можно отследить приборами. К сожалению, уши не являются прибором, мозг очень часто склонен к самообману.

    в драке важен не размер собаки, а размер драки в собаке
  • Неизвестный кот Neophyte Poster
    офлайн
    Неизвестный кот Neophyte Poster

    0


    пользователь #199624

    Профиль

    0
    # 13 ноября 2018 23:07
    oleg_s:

    импульсные питатели ВО ВСЕМ что шевелится.

    Добавлено спустя 3 минуты 36 секунд

    Ну шевелятся :)