Ответить
  • larion Senior Member
    офлайн
    larion Senior Member

    16882

    17 лет на сайте
    пользователь #148304

    Профиль
    Написать сообщение

    16882
    # 3 августа 2023 13:02

    Транзистор не лампа, увы. У меня были мысли насчет температуры ВК, а может это отчасти так и есть хз... :-? В общем, мне нравится, когда горяченькое...

    А по классике, если токи покоя от температуры сильно не плавают, значит, нормально. Пределы схемой термостабилизации определяются. А бывает, что и нет этой схемы, например, с латералами.

    Собрать стадо из баранов легко — трудно собрать стадо из кошек. (С.Капица)
  • dyno Senior Member
    офлайн
    dyno Senior Member

    14328

    17 лет на сайте
    пользователь #145869

    Профиль
    Написать сообщение

    14328
    # 3 августа 2023 13:11 Редактировалось dyno, 1 раз.

    Ну заявлено, что на 80 градусах (на радиаторе) перекомпенсация до 30%. Поэтому выше чем сейчас, 35 на радиаторе, можно не поднимать.

    Мои Боги меня рабом не называли.
  • andrejj-medan Senior Member
    офлайн
    andrejj-medan Senior Member

    6698

    14 лет на сайте
    пользователь #490844

    Профиль
    Написать сообщение

    6698
    # 9 августа 2023 09:15
    Я всегда делаю только то, что мне нравится
  • andrejj-medan Senior Member
    офлайн
    andrejj-medan Senior Member

    6698

    14 лет на сайте
    пользователь #490844

    Профиль
    Написать сообщение

    6698
    # 10 августа 2023 20:32 Редактировалось andrejj-medan, 2 раз(а).

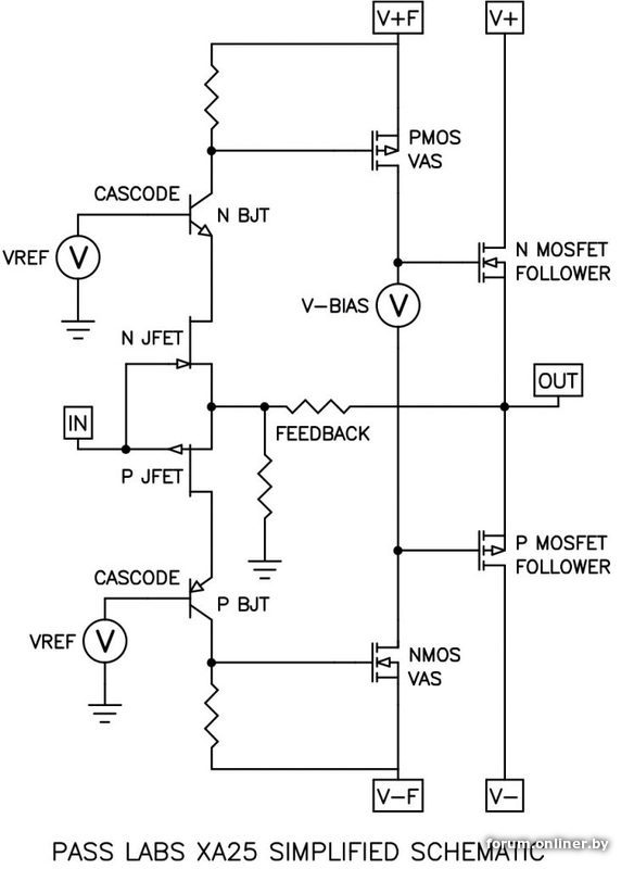
    Готовое решение усилителя . Очень короткий путь. Ранее,собирал, звучит очень приближённо к натуральности. Но на входе были ВС546, 556. Далее 2SK217, 2SJ79 и IRF240, IRF9240. Статья, ссылка, выше, и её особенности.

    Я всегда делаю только то, что мне нравится
  • larion Senior Member
    офлайн
    larion Senior Member

    16882

    17 лет на сайте
    пользователь #148304

    Профиль
    Написать сообщение

    16882
    # 10 августа 2023 21:39

    Есть у него zen комплементарный на двух ирфах и все. Не повторитель. Устойчивость, думаю, будет близка к абсолютной, ОС только один каскад охватывает. Ну впереди что то надо еще, только УН. Но токи предлагаются нехилые, с запасом даже для А. Паровоз, как нам и нада.

    Собрать стадо из баранов легко — трудно собрать стадо из кошек. (С.Капица)
  • dyno Senior Member
    офлайн
    dyno Senior Member

    14328

    17 лет на сайте
    пользователь #145869

    Профиль
    Написать сообщение

    14328
    # 10 августа 2023 21:40

    Нельсон могет.

    Мои Боги меня рабом не называли.
  • andrejj-medan Senior Member
    офлайн
    andrejj-medan Senior Member

    6698

    14 лет на сайте
    пользователь #490844

    Профиль
    Написать сообщение

    6698
    # 10 августа 2023 22:20 Редактировалось andrejj-medan, 2 раз(а).

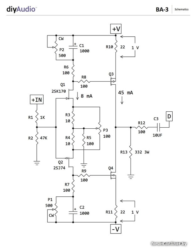
    Я ещё более простой собирал , вот такой. Правда, лет 15 -20 назад, но как УН для ВК . Здесь вообще, всё очевидно. Можно применять как полный УНЧ. Вокруг такой структуры можно много накрутить интересного

    Добавлено спустя 7 минут 48 секунд

    dyno:

    Нельсон могет.

    он просто правильно тему усиления видит. Многие думают прецизионные, мощные ОУ панацея. Тупиковое мнение.

    Добавлено спустя 33 минуты 34 секунды

    andrejj-medan:

    Я ещё более простой собирал , вот такой.

    Ой, ошибка. Вот такая структура. С ОС. Но то, что самая верхняя, ещё интересней.. без истоковых резаков. Многие, в это не верят. ))

    Я всегда делаю только то, что мне нравится
  • andrejj-medan Senior Member
    офлайн
    andrejj-medan Senior Member

    6698

    14 лет на сайте
    пользователь #490844

    Профиль
    Написать сообщение

    6698
    # 11 августа 2023 09:06
    larion:

    Есть у него zen комплементарный на двух ирфах и все. Не повторитель. Устойчивость, думаю, будет близка к абсолютной, ОС только один каскад охватывает. Ну впереди что то надо еще, только УН. Но токи предлагаются нехилые, с запасом даже для А. Паровоз, как нам и нада.

    Вадим, ты видимо это имел ввиду?
    https://handhand.ru/product-32948115632

    Я всегда делаю только то, что мне нравится
  • larion Senior Member
    офлайн
    larion Senior Member

    16882

    17 лет на сайте
    пользователь #148304

    Профиль
    Написать сообщение

    16882
    # 11 августа 2023 13:59

    Нет, я имел виду авторскую публикацию...

    Добавлено спустя 3 минуты 28 секунд

    По ссылке совсем другое, не комплементарное.

    Собрать стадо из баранов легко — трудно собрать стадо из кошек. (С.Капица)
  • andrejj-medan Senior Member
    офлайн
    andrejj-medan Senior Member

    6698

    14 лет на сайте
    пользователь #490844

    Профиль
    Написать сообщение

    6698
    # 11 августа 2023 14:52
    larion:

    По ссылке совсем другое, не комплементарное.

    по сути, они одинаковы, только один однотактный, а второй двухтактный. Обе, с общим истоком и одинаковой ОС.

    Я всегда делаю только то, что мне нравится
  • larion Senior Member
    офлайн
    larion Senior Member

    16882

    17 лет на сайте
    пользователь #148304

    Профиль
    Написать сообщение

    16882
    # 11 августа 2023 15:11 Редактировалось larion, 1 раз.
    andrejj-medan:

    по сути, они одинаковы, только один однотактный, а второй двухтактный.

    Мультик вспоминается, " а по моему они одинаковые..." :) Так в принципе все ум усиливают... Если ты желаешь в очередной раз назначить критерием наличие\отсутсвие ОС, то я так не думаю, в смысле что это принципиально с точки зрения итогового результата. Равно как и не считаю ОУ тупиком, это были в свое время утверждения воинствующих. А я точно знаю, что полно хорошо работающих усилителей с такой топологией. Но без фанатизма, т.н. композиты не надо (типа два ОУ с общей ОС), нам не ради цифорок. Ну, есть какие то вещи, которые проявляются в типовых схемах не так, как в схемах, отличных от них. Ну а в тех свои тараканы. Да и степень заметности определяет. А есть херовые, и те и другие.

    Добавлено спустя 4 минуты 50 секунд

    Едиственный представитель, воплощающий в себе простоту и чистоту идеи, если об этом речь...был, есть и будет ламповый триодный SE...И только SE... :trollface:

    Добавлено спустя 13 минут 14 секунд

    Вот этому ZEN комплементари ОУ с хорошо забуференным выхлопом на вход и будет счастье. Но при кажущейся простоте, получится нехило и недешево, когда он обрастет БП и теплооотводами. Ну и земли при таких токах. В любительских конструкциях это часто проблемы вызывает и фон, как следствие. В других тоже, но там в покое не слышно, токи малы, а в работе маскируется сигналом.

    Собрать стадо из баранов легко — трудно собрать стадо из кошек. (С.Капица)
  • andrejj-medan Senior Member
    офлайн
    andrejj-medan Senior Member

    6698

    14 лет на сайте
    пользователь #490844

    Профиль
    Написать сообщение

    6698
    # 11 августа 2023 15:47
    larion:

    Так в принципе все ум усиливают...

    я имет ввиду, как построен каскад и охват ОСом.

    larion:

    Едиственный представитель, воплощающий в себе простоту и чистоту идеи, если об этом речь...был, есть и будет ламповый триодный SE...И только SE...

    а и не собираюсь спорить. Разве, я с кем то здесь спорю... . Я просто, всё время, что то делаю.;) )))

    larion:

    Вот этому ZEN комплементари ОУ с хорошо забуференным выхлопом на вход и будет счастье.

    ему достаточно обычного истокового повторителя. , как в первой схеме. А Ку у него = 10, что вполне достаточно в большинстве случаев.

    Я всегда делаю только то, что мне нравится
  • larion Senior Member
    офлайн
    larion Senior Member

    16882

    17 лет на сайте
    пользователь #148304

    Профиль
    Написать сообщение

    16882
    # 11 августа 2023 15:51
    andrejj-medan:

    А Ку у него = 10, что вполне достаточно в большинстве случаев.

    Мало. Как частный случай, вполне возможно. Но если выхлоп источника невысокий, а это бывает, или АС с низкой чуйкой, а если еще все вместе и запись с малым уровнем, что тоже не редкость. В общем, в люди нельзя.

    Собрать стадо из баранов легко — трудно собрать стадо из кошек. (С.Капица)
  • andrejj-medan Senior Member
    офлайн
    andrejj-medan Senior Member

    6698

    14 лет на сайте
    пользователь #490844

    Профиль
    Написать сообщение

    6698
    # 11 августа 2023 15:56
    larion:

    Но при кажущейся простоте, получится нехило и недешево, когда он обрастет БП и теплооотводами.

    но и ламповый, при таких мощностях, ещё больше потребляет и рассеивает.))) Это же очевидно.

    Я всегда делаю только то, что мне нравится
  • larion Senior Member
    офлайн
    larion Senior Member

    16882

    17 лет на сайте
    пользователь #148304

    Профиль
    Написать сообщение

    16882
    # 11 августа 2023 15:56

    На 2А3 с 6ж32п впереди так у меня и получилось, Ку=12 по напряжению. С Фостекс хватает, с тем, с чем предполагается работа у заказчика тоже, но меньше уже нельзя. И еще вопрос фонкорректра, его выхлопа в повестке.

    Собрать стадо из баранов легко — трудно собрать стадо из кошек. (С.Капица)
  • andrejj-medan Senior Member
    офлайн
    andrejj-medan Senior Member

    6698

    14 лет на сайте
    пользователь #490844

    Профиль
    Написать сообщение

    6698
    # 11 августа 2023 15:57
    larion:

    Мало. Как частный случай, вполне возможно. Но если выхлоп источника невысокий, а это бывает, или АС с низкой чуйкой, а если еще все вместе и запись с малым уровнем, что тоже не редкость. В общем, в люди нельзя.

    а можно цифры привести и сопоставить для этой схемы.

    Я всегда делаю только то, что мне нравится
  • larion Senior Member
    офлайн
    larion Senior Member

    16882

    17 лет на сайте
    пользователь #148304

    Профиль
    Написать сообщение

    16882
    # 11 августа 2023 15:59
    andrejj-medan:

    но и ламповый, при таких мощностях, ещё больше потребляет и рассеивает.))) Это же очевидно.

    Не больше наверно, от накала зависит, но КПД еще тот, да. Но у лампового нет конских токов (это важно) и теплоотводов тоже.

    Добавлено спустя 3 минуты 16 секунд

    andrejj-medan:

    а можно цифры привести

    Какие? 4вт до ограничения (3.2% Кг). 15вт на аноде, 5вт накал. Режим нештатный. А там в картинках и в подробностях все было, где тебя нет по твоему желанию...

    Добавлено спустя 1 минута 32 секунды

    1вт спектр красота, да и дальше тоже. Мне пофиг, но красиво.

    Добавлено спустя 1 минута 36 секунд

    Не, 2.5В 2.5А, 6вт накал получается.

    Добавлено спустя 11 минут 18 секунд

    А он и не греется сильно, колбы большие. И что там, общего потребления 65-70 вт наверно с учетом, что резисторы автосмещения рассеивают. Можно не выключать. В магазин пошел, анодное отключил, но 100+ вольт я оставил, чтобы без бросков. Пришел, схема наготове. Красота в простоте и достаточности. Не, я не топлю за этот или др.паровозик, да и не по теме. Но как бы и большего не нужно в 90% случаев.

    Собрать стадо из баранов легко — трудно собрать стадо из кошек. (С.Капица)
  • andrejj-medan Senior Member
    офлайн
    andrejj-medan Senior Member

    6698

    14 лет на сайте
    пользователь #490844

    Профиль
    Написать сообщение

    6698
    # 11 августа 2023 16:41 Редактировалось andrejj-medan, 2 раз(а).
    larion:

    ...Мало. Как частный случай, вполне возможно.... Какие?.

    реальные. например: Ку=10, при Uвх =1в, что сегодня вполне реально, ладно, 0,7,а выходе будет в первом случае 25 ватт, во втором 12 ватт. Что мало, как ты пишешь. А сколько у SE !?))

    larion:

    И что там, общего потребления 65-70 вт наверно с учетом, что резисторы автосмещения рассеивают. Можно не выключать

    ))) КПД однотакта, примерно 25% , приплюсуй накал. В каменном,накала нет. Неужели сложно это посчитать. Странный у тебя какой то, экономичный SE получается, если нет радиатора, то и расходов, тепла, токов нет :lol: P=UxI. Или у тебя эта формула не работает?
    Ладно, влез в объяснялки зря. Себе спротиворечил, заспорил.

    Я всегда делаю только то, что мне нравится
  • larion Senior Member
    офлайн
    larion Senior Member

    16882

    17 лет на сайте
    пользователь #148304

    Профиль
    Написать сообщение

    16882
    # 11 августа 2023 17:01 Редактировалось larion, 2 раз(а).

    Так выше все же вроде написал конкретно в цифрах, именно Р=UI, другого пока не придумали или я не в курсе... :) Ок, еще раз-Накал 6.25вт +15вт на Аноде, Рвых=4.2вт. Это и будет 20% примерно КПД. Потребление умножаем на два, плюсуем тепло на резисторах, расходы предвар ламп и истальные потери. 70вт на все про все,больше не выйдет. С диодами в БП ( не с кенотроном). Если фикс смещение, будет несколько меньше кушать и греться. Токи малы, радиаторов нет. Вес приемлемый, ну тут ТВЗ определяют, какие поставишь.

    И про это тоже...

    larion:

    Ку=12 по напряжению. С Фостекс хватает, с тем, с чем предполагается работа у заказчика тоже, но меньше уже нельзя.

    Добавлено спустя 2 минуты 42 секунды

    В транзисторном, что слушаю сейчас Ку около 30, но пока преда в нем нет. А в другом,где уже все в сборе (корме корпуса), Ку=80, саме то для универсальности и выхода в люди. Да и серийные где то так или больше. Для себя можно под конкретные потребности. Одноламповый с Ку=2 работал. РГ не нужен... :)

    Собрать стадо из баранов легко — трудно собрать стадо из кошек. (С.Капица)
  • larion Senior Member
    офлайн
    larion Senior Member

    16882

    17 лет на сайте
    пользователь #148304

    Профиль
    Написать сообщение

    16882
    # 12 августа 2023 18:42

    К исправному состоянию вернул, но осадочек остался...

    Собрать стадо из баранов легко — трудно собрать стадо из кошек. (С.Капица)