|
офлайн
vovchik_romualdovich
Senior Member
|
|
|
11847 |
15 лет на сайте Город:
|
|
офлайн
Федор_Чалый
Senior Member
|
|
|
2388 |
18 лет на сайте Город:
|
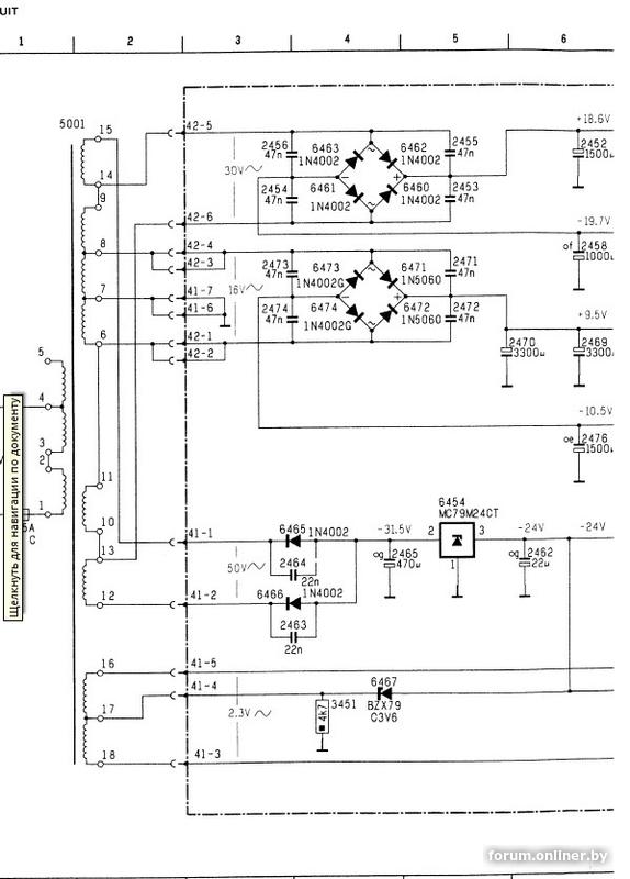
mixing-mastering:может кто навскидку вспомнит, где такое применялось?
Вроде аналогичное питание было в каком-то совковом усилителе. Амфитон?
Но в импорте такого хватает. Бывают и более "наркоманские" схемы.

курчавый, я тут тебе тещу присмотрел.
У нее вся бытовая техника для зятя имеется.
https://www.youtube.com/shorts/OXfo4OMmC8o?feature=share
|
офлайн
vovchik_romualdovich
Senior Member
|
|
|
11847 |
15 лет на сайте Город:
|
|
офлайн
vovchik_romualdovich
Senior Member
|
|
|
11847 |
15 лет на сайте Город:
|
|
офлайн
Федор_Чалый
Senior Member
|
|
|
2388 |
18 лет на сайте Город:
|
|
офлайн
vovchik_romualdovich
Senior Member
|
|
|
11847 |
15 лет на сайте Город:
|
Федор_Чалый:курчавый, я тут тебе тещу присмотрел.
У нее вся бытовая техника для зятя имеется.![]()
https://www.youtube.com/shorts/OXfo4OMmC8o?feature=share
Скучает ведьма.
Марахаек там у неё немерено
Интересно на кухне у неё как с посудой
Pink Floyd - Animals самый мой любимый альбом 
|
офлайн
vovchik_romualdovich
Senior Member
|
|
|
11847 |
15 лет на сайте Город:
|
курчавый:Pink Floyd - Animals самый мой любимый альбом
О! Только в понедельник его слушал.
|
офлайн
mixing-mastering
Senior Member
|
|
|
17334 |
10 лет на сайте Город:
|
Федор_Чалый, ага, спасибо, тоже так подумал, что в советских схемах не смотрел, тогда было много любителей получать рацухи за экономию..
но потом и в итальянском RCF нашел такое решение, и в американском рейнкус ханс..
и все эти танцы с бубнами для того, чтобы заменить сгоревший бублик двумя человеческими трансами в американском же девайсе...но там на торе все обмотки отдельные, все как по учебнику...
|
офлайн
Федор_Чалый
Senior Member
|
|
|
2388 |
18 лет на сайте Город:
|
курчавый:Интересно на кухне у неё как с посудой
Как на кухне - не понятно, но виниловых "блинов", у нее на десяток зятьев хватит. ![]()
Федор_Чалый:курчавый:Интересно на кухне у неё как с посудой
Как на кухне - не понятно, но виниловых "блинов", у нее на десяток зятьев хватит.
Вот по этому она и грустит.
oleg_s:
|
офлайн
vovchik_romualdovich
Senior Member
|
|
|
11847 |
15 лет на сайте Город:
|
mixing-mastering, Годе эдак в 14-15-м макетил усилок СЕ на 6Н13С.
Так питание на них 170В брал с моста, а на драйвер СРПП с удвоителя 300+, с одной обмотки и работало, мабыть и сейчас работает, можно проверить.

Всё, обед, пошёл дремать и дримить под 70-е.
|
офлайн
mixing-mastering
Senior Member
|
|
|
17334 |
10 лет на сайте Город:
|
vovchik_romualdovich:работает
и у меня заработало, но есть нюанс...
подфанивает, что с землей не делал - есть чуток...а требования жесткие, мониторная линия..
подкинул мелкий отдельный православный трансик 21+21В вместо отводов - и наступила тишина...
на том и закончил..для мелюзги место нашлось..закрепил
|
офлайн
vovchik_romualdovich
Senior Member
|
|
|
11847 |
15 лет на сайте Город:
|
mixing-mastering:и наступила тишина...
Ну и ладно. Главное результат достигнут. 