1 Пропадает ли фон, если выдернуть пентоды?
2 Одинаков ли фон в обеих каналах?
3 Я правильно увидел, оба входа закорочены?
4 Пропадает ли фон, если отключить питание анода, и плата работает только за счёт заряда в ёмкостях? А питание накала?
Ну и как в анекдоте: а по колесу стучал? на стекло брызгал?



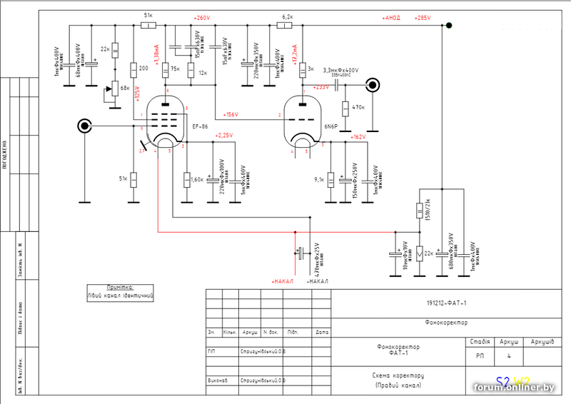
Так, это : почему на схеме этого лампового фоника экраны входа/выхода не заземлены ?


