yasha212, может напишете ваш интерес в чём? Или вы из тех ... "умников" которые резиновые подвесы на 50/75гдн любят?
yasha212, может напишете ваш интерес в чём? Или вы из тех ... "умников" которые резиновые подвесы на 50/75гдн любят?
OrcaXXX:yasha212, может напишете ваш интерес в чём? Или вы из тех ... "умников" которые резиновые подвесы на 50/75гдн любят?
Ваши домыслы мне по... не можете так и напишите не могу найти...
|
офлайн
Добрый_Дедушка
Senior Member
|
|
|
12346 |
12 лет на сайте Город:
|
А, что... Динамики ремонтируют для улучшения характеристик? Или от бедности)))
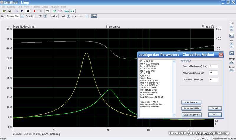
OrcaXXX:Что не могу ,ТС-параметры 50гдн на ППУ? Вот -
извиняюсь пик на 50Гц это ?
|
офлайн
Слава-Космонавт
Senior Member
|
|
|
3377 |
9 лет на сайте Город:
|
|
офлайн
Добрый_Дедушка
Senior Member
|
|
|
12346 |
12 лет на сайте Город:
|
|
офлайн
mixing-mastering
Senior Member
|
|
|
17379 |
10 лет на сайте Город:
|
Слава-Космонавт:Вот, например китайские радиоинженеры имеют самую передовую измерительную аппаратуру,
расскажите нам, как там вам живется в Китае, как погода
в каких лабораториях бываете

|
офлайн
Добрый_Дедушка
Senior Member
|
|
|
12346 |
12 лет на сайте Город:
|
|
офлайн
mixing-mastering
Senior Member
|
|
|
17379 |
10 лет на сайте Город:
|
Добрый_Дедушка:Вытяжки на рабочих местах, впечатляют)))
мне показалось - это они вентиляторы паяют, но теперь тоже понял что это вытяжки...
у них большинство мелких фирм так работает
Измерение 10гд36к методом добавочной массы (add м =15гр) -

Только идиот, зная конструктив этого динамика и его параметры, будет пихать его в рупор.
Я в очередной раз убеждаюсь в правильности пословицы - " Умные учатся на чужих ошибках, а дураки на своих. "
Но с другой стороны, как же без них, на чьих ошибках мы будем учится?
|
офлайн
Слава-Космонавт
Senior Member
|
|
|
3377 |
9 лет на сайте Город:
|
Слава-Космонавт:Это УМНЫЕ! Люди экспериментируют и учатся на СВОИХ возможных ошибках (осознав их со всех сторон) !!
И только полные ДУРни! -- пытаются что то извлечь из чужих ошибок и чему то там "поверхностно" для себя обучиться ...
Вы правы, такие "умники" как вы, вечно будут "ходить по граблям", а такие "дурни" как мы, будем смотреть со стороны на ваше "увлекательное" занятие, которым занимается уже не одно десятилетие толпа вам-подобных. Вместо того чтобы знания получать из книг и на основании этих знаний проводить эксперименты. Желаю удачи, малыши.
P.S. Есть ещё одна пословица - "Дешева рибка — погана юшка". Так что, как бы толочинское креплёное с причмокиванием не расхваливали, горе-сомелье доморощенные, оно Кинзмараули, да Хванчкарой не станет.
Страшнее чем грабли, есть только одна вещь - детские грабли. ![]()
|
офлайн
Слава-Космонавт
Senior Member
|
|
|
3377 |
9 лет на сайте Город:
|