Ответить
  • митрич1 Neophyte Poster
    офлайн
    митрич1 Neophyte Poster

    20

    10 лет на сайте
    пользователь #1901015

    Профиль
    Написать сообщение

    20
    # 4 января 2019 21:42

    С новым годом и рождеством,всем знатокам сварочных полуавтоматов.Ребята в этом деле я профан вот и обращаюсь к Вам,как к профессионалам в своем деле,нужен нормальный аппарат для домашней мастерской в подарок тестю,на юбилей.Задачи которые будет выполнять:заварить дыру в глушителе( у себя и двух еще машин,на даче чирркнуть минут на 20,короче по бытовухе,но с профессиональным уклоном),буду признателен в подгоне модели,да и в цене на нее.Что скажите знатоки сварного дела?

  • Yastar Senior Member
    офлайн
    Yastar Senior Member

    1496

    12 лет на сайте
    пользователь #1134645

    Профиль
    Написать сообщение

    1496
    # 5 января 2019 11:00
    _KRG_:

    для удлинителя на 20-30 метров какой провод покупать, сечение, название?

    Сечение Вашего удлинителя должно быть не ниже 2,5 мм кв.
    Провод можно использовать либо КГ 3х2,5, либо ПВС 3х2,5. В угоду удешевлению можно отказаться от третьей жилы. Однако в этом случае будет нарушена техника безопасности.
    Ну и вилка - розетка должны быть как можно менее детскими.

    митрич1:

    нужен нормальный аппарат для домашней мастерской в подарок тестю

    Вы забыли очертить примерный бюджет.
    Если это 500+ рублей, то здесь подойдёт любой из современных Солярисов - Эландов и им подобных.
    Если 500-, то Спеки - Скиперы - Брадо, только сразу же придётся прикупить новое сопло на горелку, так как комплектное никуда не годится.
    Если бюджет выходит за рамки 800-та рублей, можно смело обращать взор на Аврору.
    Сверхдешёвые варианты типа Штенли - Хаммеров я бы не советовал, несмотря на многочисленные хвалебные вбросы на этом форуме.
    Почему не упоминаю весьма уважаемый мною Кирк МИГ-160? По моим сведениям, они безнадёжно закончились. Хотя пару звонков в интернет - магазины, где они фигурируют, можно сделать.

    Некоторые говорят, что я стар...
  • _KRG_ Knife Club
    офлайн
    _KRG_ Knife Club

    3391

    16 лет на сайте
    пользователь #222632

    Профиль
    Написать сообщение

    3391
    # 5 января 2019 11:51

    Yastar, Спасибо.

  • митрич1 Neophyte Poster
    офлайн
    митрич1 Neophyte Poster

    20

    10 лет на сайте
    пользователь #1901015

    Профиль
    Написать сообщение

    20
    # 5 января 2019 18:53

    Спасибо,а как на счет ресанты

  • N_drey Junior Member
    офлайн
    N_drey Junior Member

    38

    12 лет на сайте
    пользователь #899879

    Профиль
    Написать сообщение

    38
    # 6 января 2019 20:42 Редактировалось N_drey, 3 раз(а).

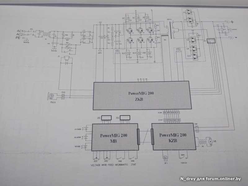
    Всем доброго времени суток. Вот чистил пыль в своем Hugong Carimig 180WT. Сделал пару фоток может кому интересно будет, извиняюсь за качество, снимал на телефон, т.к не имею фотоаппарата. Также сфоткал схему из паспорта, возможно ком-то она тоже будет итересна. Транзисторы что сверху видны, имеют маркировку 50H603. Интересно мнение знающих форумчан про данный аппарат

  • AlexSk Senior Member
    офлайн
    AlexSk Senior Member

    1077

    21 год на сайте
    пользователь #25130

    Профиль
    Написать сообщение

    1077
    # 7 января 2019 17:33

    Схема - полумост. 50H603 это IGBT 50N60 - 50А 600В по 3шт в плече и два диодных моста во входном выпрямителе дают основания считать что заявленный выходной ток вполне реален.

    BR. Alex
  • 2454910 Neophyte Poster
    офлайн
    2454910 Neophyte Poster

    8

    7 лет на сайте
    пользователь #2454910

    Профиль
    Написать сообщение

    8
    # 8 января 2019 15:27

    Добрый день. Подскажете кто знает, есть же опытные люди. Хочу купить себе поуавтомат solaris multimig 225, как он по надежности? И если кто подскажет как ведет себя при пониженном напряжении, в гаражах бывают просадки до 200В. Спасибо

  • ivan_is Junior Member
    офлайн
    ivan_is Junior Member

    94

    19 лет на сайте
    пользователь #84833

    Профиль
    Написать сообщение

    94
    # 8 января 2019 19:29
    Yastar:

    Добрый!
    Мост Понте с ВРД - плохая идея.
    Мост Понте 200 - вариант очень хороший. Вот только 300 - это с НДС или без. На сайте поставляющих компаний часто цена фигурирует без НДС и вводит частных пользователей в заблуждение. Если без НДС и проводов - слишком дорого. Ведь Аврора Максимма внутри полностью совпадает с Понтиками, а стоит соизмеримо, и это с проводами и кейсом.
    Джасик + маска за 290 - вариант для бытового применения весьма подходящий. Неплохой по своему техническому содержанию аппарат плюс маска приемлемого уровня. 290 можно платить.

    Спасибо, добрый человек! С НДСом так и получилось...

  • 2454910 Neophyte Poster
    офлайн
    2454910 Neophyte Poster

    8

    7 лет на сайте
    пользователь #2454910

    Профиль
    Написать сообщение

    8
    # 9 января 2019 08:27

    Или что скажете по этому аппарату? WATT CombiMIG 250

  • Yastar Senior Member
    офлайн
    Yastar Senior Member

    1496

    12 лет на сайте
    пользователь #1134645

    Профиль
    Написать сообщение

    1496
    # 9 января 2019 13:05
    2454910:

    Хочу купить себе поуавтомат solaris multimig 225, как он по надежности? И если кто подскажет как ведет себя при пониженном напряжении, в гаражах бывают просадки до 200В.

    Для того, чтобы делать выводы о надёжности аппарата, надо года 2 их интенсивно продавать и, посчитав потом количество поломок, вывести какую-либо статистику. Если проданных аппаратов будет хотя бы штук 50, эта статистика будет претендовать на более-менее объективную.
    Поэтому по этим аппаратам вряд ли кто-то что-то Вам скажет. Разве что у Вас есть знакомые на фирменном сервисе.
    А вообще китайское оборудование сейчас не такое уж и ломкое, как принято считать.

    2454910:

    что скажете по этому аппарату? WATT CombiMIG 250

    Весьма бюджетная модель. Варить, конечно же, будет. И всё-же лучше оставить её на полке магазина для кого-нибудь другого.

    Добавлено спустя 19 минут 36 секунд

    митрич1:

    а как на счет ресанты

    Ресанта имеет не совсем оптимальную топологию для п/а, из этого вытекают все беды её самой и собратьев. Всю эту компанию называют Ресантоподобными. Надёжно, приемлемо, но не отлично. Поэтому выберите что-нибудь другое.
    Ну а если уж без Ресанты никак, то лучше взять какого-нибудь её брательника, первым из которых на ум приходит Спарк.

    Некоторые говорят, что я стар...
  • 2454910 Neophyte Poster
    офлайн
    2454910 Neophyte Poster

    8

    7 лет на сайте
    пользователь #2454910

    Профиль
    Написать сообщение

    8
    # 9 января 2019 14:16

    Может тогда подскажите полуавтомат с функцией дуговой сварки в пределах 400-500р, использоваться будет не часто, так по хозяйству и ремонте авто

  • Thomos Neophyte Poster
    офлайн
    Thomos Neophyte Poster

    4

    7 лет на сайте
    пользователь #2642396

    Профиль
    Написать сообщение

    4
    # 9 января 2019 22:17

    Подскажите какой аппарат лучше приобрести (для домашнего использования) Сварочный полуавтомат Aurora Polo 160 или Сварочный полуавтомат Solaris MULTIMIG-225. Заранее спасибо!!!

  • Yastar Senior Member
    офлайн
    Yastar Senior Member

    1496

    12 лет на сайте
    пользователь #1134645

    Профиль
    Написать сообщение

    1496
    # 10 января 2019 14:43
    2642396:

    Сварочный полуавтомат Aurora Polo 160 или Сварочный полуавтомат Solaris MULTIMIG-225.

    Аппараты настолько разные, что даже тяжело сравнить.
    Можно сказать так. Если Вы согласны с тем, что аппарат будет частично думать за Вас, то Поло Вам в руки.
    Если Вы в деталях хотите прочувствовать, как аппарат отзывается на выбранный Вами режим и управлять процессом без помощи заложенной программы, тогда нужен аппарат без элементов синергетики. Понравился Solaris MULTIMIG-225, пусть будет такой, хотя лично мне обилие наворотов за небольшие деньги не внушает большого доверия. Может стоит рассмотреть всё-таки 223-й.
    Ну а если остановитесь на Поло, обратитесь в личку, подскажу способ получить неплохую скидку.

    2454910:

    подскажите полуавтомат с функцией дуговой сварки в пределах 400-500р

    Можете пробовать обратить взор на серию аппаратов Брадо-Спек-Скипер. Для Ваших задач вполне.

    Некоторые говорят, что я стар...
  • Wad35 Member
    офлайн
    Wad35 Member

    290

    19 лет на сайте
    пользователь #82128

    Профиль
    Написать сообщение

    290
    # 11 января 2019 02:19 Редактировалось Wad35, 2 раз(а).

    Понравился по функциям Jasic TIG 200P (W212), подскажите, пожалуйста, на сколько хорошо он будет работать в режиме ММА, особенно интересуют электроды с основным покрытием.
    Будет ли "удобство", качество сварки в режиме ММА у Jasic TIG 200P (W212) и скажем Сварог PRO ARC 200 (Z209S) или Aurora PRO STICKMATE 180 (MMA+TIG PULSE lift) одинаковыми?
    Понимаю, что основная функция Jasic TIG 200P (W212) это TIG сварка, вопрос на сколько качественно реализован у него режим MMA (есть регулировка форсажа дуги и горячего старта). Силовой блок же один и для TIG и для ММА.

  • Yastar Senior Member
    офлайн
    Yastar Senior Member

    1496

    12 лет на сайте
    пользователь #1134645

    Профиль
    Написать сообщение

    1496
    # 11 января 2019 16:16
    Wad35:

    Будет ли "удобство", качество сварки в режиме ММА у Jasic TIG 200P (W212) и скажем Сварог PRO ARC 200 (Z209S) или Aurora PRO STICKMATE 180 (MMA+TIG PULSE lift) одинаковыми?

    Ваш вопрос просто обязан повиснуть в воздухе, так как детально ответить на него может лишь сварщик, который при прочих равных условиях поработал всеми тремя аппаратами. Сами понимаете, вероятность такого события весьма невелика.
    Ну а если без всяких сравнений, то у нас неоднократно Стикмэйты выбирались в качестве рабочего инструмента сварщиками, которые варят трубы основными электродами. И их выбор понятен - аппарат реально хорош.
    Сварог pro ARC-180 в наличии есть, но сам я оценить его отношение к основным электродам не берусь, не тот опыт.
    Ну а ТИГ-аппарат - это всё-таки ТИГ-аппарат. Силовой блок для ММА и ТИГ одинаковый, это понятно. Но далеко не он определяет качество сварки. Без пробы на электроде рассуждать бесполезно.

    Некоторые говорят, что я стар...
  • Wad35 Member
    офлайн
    Wad35 Member

    290

    19 лет на сайте
    пользователь #82128

    Профиль
    Написать сообщение

    290
    # 11 января 2019 16:42 Редактировалось Wad35, 1 раз.

    Yastar,
    Благодарю за ответ.
    Stickmate еще выпускается на заводе Риланд?
    На сайте Авроры сказано, что они построили новый завод в Китае и никакого отношения к Риланду не имеют. Правда это говорилось применительно к новой модели Аврора Динамика 200.
    Не ухудшилось ли качество?

  • Yastar Senior Member
    офлайн
    Yastar Senior Member

    1496

    12 лет на сайте
    пользователь #1134645

    Профиль
    Написать сообщение

    1496
    # 11 января 2019 17:08
    Wad35:

    Stickmate еще выпускается на заводе Риланд?

    Stickmate по-прежнему делается на Риланде. Возможно, я не совсем объективен при обсуждении этих аппаратов, уж очень мне они нравятся. Было по ним несколько гарантийных случаев, но в целом аппараты отличные. Единственные претензии - это немного неподходящая для наших не всегда ответственных сварщиков конструкция. Пластмассовые панели, особенно задняя с интегрированным вентилятором, нередко бывали источником проблем при неаккуратном обращении на стройках народного хозяйства. Поэтому отказались от их продажи. Частникам - дорого, предприятиям - рискованно.
    Но если обращаться с аппаратом аккуратно - хороша машинка.
    Если вдруг надумаете приобрести, обращайтесь, подскажу, как сэкономить при покупке.

    Некоторые говорят, что я стар...
  • 1746584 Member
    офлайн
    1746584 Member

    187

    10 лет на сайте
    пользователь #1746584

    Профиль
    Написать сообщение

    187
    # 12 января 2019 00:25

    Подскажите Никей АРК250 можно покупать? Иногда беру поварить старый Никей Нимбус хороший аппарат. А вот АРКи как по надежности и по току соответствуют заявленному?

  • Yastar Senior Member
    офлайн
    Yastar Senior Member

    1496

    12 лет на сайте
    пользователь #1134645

    Профиль
    Написать сообщение

    1496
    # 12 января 2019 10:35 Редактировалось Yastar, 2 раз(а).
    1746584:

    А вот АРКи как по надежности и по току соответствуют заявленному?

    Никкеи все, что попадали в ремонт, были удешевлёнными копиями очень неплохих китайских сварочников. Только вот качество деталей, а иногда и сборки, всегда были не совсем на высоте. Можно было встретить и необжатый разъём, и резисторы, которые со временем могли сильно поменять свой номинал и явиться причиной неисправности.
    Ну а конкретно по этой модели сказать что-либо тяжело Номенклатура выпускаемой продукции сейчас такая, что изучить её невозможно в принципе.
    На соответствие заявленных и реальных параметров, особенно когда при однофазном питании указывают 250 ампер выходного тока, даже и близко не рассчитывайте. 250 ампер - это либо граница теоретического предела, либо даже выход за этот предел. Правда, при этом не забывайте, что Вам столько и не надо. 150 реальных ампер - выше крыши для любых домашних, да и производственных потребностей. Если надо больше, надо запитываться от 3-х фаз.

    Некоторые говорят, что я стар...
  • 2067869 Member
    офлайн
    2067869 Member

    237

    9 лет на сайте
    пользователь #2067869

    Профиль
    Написать сообщение

    237
    # 12 января 2019 17:53

    подскажите полуавтомат с функцией дуговой сварки в пределах 400-500р
    не пожалей добавь -
    https://shop.oliver.by/cat/oborudovanie-migmag/svarochnyij-poluav ... kitaj.html
    или на худо конец тоже вещь -Сварочный инвертор Mitech MIG 160S https://catalog.onliner.by/weldinginverter/mitech/mig_160s 600 рэ не зря потратите.