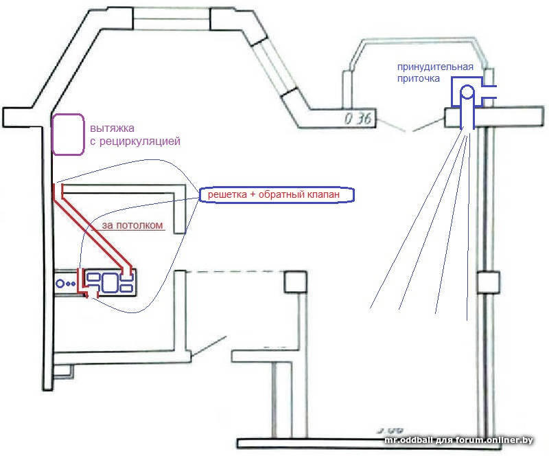
Вообщем господа вот проект квартиры с вентиляцией не тянущей при закрытых окнах
красным обозначен лючок в туалете и металлический вент короб из ванной на кухню 20*10 установлен вертикально. в туалете и ванной разные шахты. Жёлтым обозначено место где будет вытяжка.
подскажите как получше спроектировать систему вентиляции. планирую в туалете поставить вытяжной вентилятор и в ванной.
1)В ванной лучше врезаться в воздуховод и вентилятор установить на потолке или пробить окно в шахту и установить чуть ниже уровня потолка и воздуховода? жильцы дома , кто уже сделал ремонт говорят что при рабочей вытяжке всё летит не в шахту а в ванную? по идее при открытом окне тяга должна вытянуть в шахту?
2) уровень потолка на кухне будет перекрывать треть воздуховода с ванной. эту треть заглушить просто или лусчше заморочиться и переложить весь воздуховод от шахты до вытяжки и заменить его на горизонтальный?
3) еще у меня возникла идея . раз уж у меня по всей квартире натяжной потолок. а что если вывести за потолком на балкон трубку а другой её конец в воздуховод на на границе стыка ванной с туалетом? создаст ли это тягу? и каким размеры трубы тут можно ограничиться , если заморочиваться этим имеет смысл?
заранее спасибо




