Ответить
  • VadimKo2 Junior MemberАвтор темы
    офлайн
    VadimKo2 Junior Member Автор темы

    38

    10 лет на сайте
    пользователь #1617949

    Профиль
    Написать сообщение

    38
    # 9 апреля 2015 13:47 Редактировалось VadimKo2, 30 раз(а).

    Могилев пер. Урожайный д.10

    Всем привет! Предлагаю всем, кто участвует в долевом строительстве дома по переулку Урожайный общаться в этой теме!
    Давайте делиться информацией, обсуждать строительство и др. вопросы.
    Будущие соседи, объединяйтесь!

    ПРЕДСЕДАТЕЛЬ ТС: Воронов Константин Георгиевич +375293519219

  • alexa842 Neophyte Poster
    офлайн
    alexa842 Neophyte Poster

    12

    14 лет на сайте
    пользователь #451706

    Профиль
    Написать сообщение

    12
    # 6 сентября 2015 21:20

    Как быть с 500 см на кухне?Приглашали дизайнера и озвученная цена удивила :( Думаю мы в праве требовать снижение стоимости,т.к. это уже не исправить!

  • Maknagenek Neophyte Poster
    офлайн
    Maknagenek Neophyte Poster

    9

    14 лет на сайте
    пользователь #562695

    Профиль
    Написать сообщение

    9
    # 7 сентября 2015 15:44
    alexa842:

    Как быть с 500 см на кухне?Приглашали дизайнера и озвученная цена удивила :( Думаю мы в праве требовать снижение стоимости,т.к. это уже не исправить!

    согласна полностью,нужно что то решать,потому что в дск сказали что 18 сентября нас полностью рассчитают,будет окончательный расчет,нужно успеть это решить

  • miss_may Junior Member
    офлайн
    miss_may Junior Member

    31

    12 лет на сайте
    пользователь #900779

    Профиль
    Написать сообщение

    31
    # 8 сентября 2015 15:02

    ДСК даже не знает про 50 см, у них все по проекту. Кто видел проект?

  • Krisna Junior Member
    офлайн
    Krisna Junior Member

    40

    10 лет на сайте
    пользователь #1621480

    Профиль
    Написать сообщение

    40
    # 8 сентября 2015 23:18

    Я сегодня встречалась с представителями из отдела качества, показывала им и эту стену, посоветовали заказать кухню на заказ)) потом начал мне что-то распрягать про то, что 620 мм считается от какой-то оси и тому подобные строительные умности. Я сказала что все это мне не интересно, а интересно как мне туда поставить стандартную кухню и это они были обязаны нам обеспечить. Распсиховался, побежал, сказал звонить в конце дня, что к тому времени он все уточнит, я звонила, но мне все время отвечали, что его нет. В любом случае я поняла что они будут до последнего доказывать, что это все по проекту и так и должно было быть. Действительно, хорошо бы было иметь проект и человека, который точно знает как и откуда должны считаться все размеры

    Добавлено спустя 2 минуты 13 секунд

    Я думаю, что нужно всем вместе собрать и подумать что делать, иначе по одному мы точно ничего не добьемся, надо как-то уверено доказать, что это их косяк, а не норма

  • Maknagenek Neophyte Poster
    офлайн
    Maknagenek Neophyte Poster

    9

    14 лет на сайте
    пользователь #562695

    Профиль
    Написать сообщение

    9
    # 9 сентября 2015 08:05
    Krisna:

    Я сегодня встречалась с представителями из отдела качества, показывала им и эту стену, посоветовали заказать кухню на заказ)) потом начал мне что-то распрягать про то, что 620 мм считается от какой-то оси и тому подобные строительные умности. Я сказала что все это мне не интересно, а интересно как мне туда поставить стандартную кухню и это они были обязаны нам обеспечить. Распсиховался, побежал, сказал звонить в конце дня, что к тому времени он все уточнит, я звонила, но мне все время отвечали, что его нет. В любом случае я поняла что они будут до последнего доказывать, что это все по проекту и так и должно было быть. Действительно, хорошо бы было иметь проект и человека, который точно знает как и откуда должны считаться все размеры

    Добавлено спустя 2 минуты 13 секунд

    Я думаю, что нужно всем вместе собрать и подумать что делать, иначе по одному мы точно ничего не добьемся, надо как-то уверено доказать, что это их косяк, а не норма

    завтра на приемке квартир можно это решить,пускай возмещают нам как-то,стену на 10 см они точно не перенесут,а заказывать кухню сейчас дорого

  • miss_may Junior Member
    офлайн
    miss_may Junior Member

    31

    12 лет на сайте
    пользователь #900779

    Профиль
    Написать сообщение

    31
    # 9 сентября 2015 08:28

    наверно, только в судебном порядке можно решить этот вопрос, а так на словах никто ничего возмещать не будут

    Добавлено спустя 2 минуты 6 секунд

    на плане четко видно, что стена должна быть 675 мм, а перегородка между квартирами 160 мм

  • MariaKo Junior Member
    офлайн
    MariaKo Junior Member

    99

    11 лет на сайте
    пользователь #1581129

    Профиль
    Написать сообщение

    99
    # 9 сентября 2015 10:18

    Квартиры не принемайте, звоните председателю. Завтра она должна быть на приемке, может что подскажет

  • 1731282 Neophyte Poster
    офлайн
    1731282 Neophyte Poster

    8

    10 лет на сайте
    пользователь #1731282

    Профиль
    Написать сообщение

    8
    # 9 сентября 2015 18:46

    Если вдруг этот вопрос со стеной на кухне в 50 см не решится, можно завтра нашему председателю отдать вот такое заявление от всех дольщиков, чтобы она его подписала и указала свои контакты. в этом случае ей придет официальный ответ. а если мы еще под ним подпишемся, то к нам обязан придти представитель с города и выяснить - кто прав, кто виноват. Заявление ниже:

    Добавлено спустя 42 секунды

    Председателю Могилевского
    Областного Исполнительного Комитета
    Доманевскому В.В.
    От дольщиков строящегося жилого
    дома по пер. Урожайный г. Могилева

    Заявление

    Уважаемый Владимир Викторович! Мы, дольщики строящего «многоквартирного жилого дома по переулку Урожайный с благоустройством прилегающей территории со сносом жилых домов №№11,13,15 по переулку Урожайный г Могилева» (далее – объект), обращаемся к Вам с просьбой об оказании помощи в решении следующего вопроса. Мы являемся дольщиками объекта, по которому, по последним заверениям сотрудников ОАО «Могилевский домостроительный комбинат» будет произведен полный расчет с нами 18 сентября 2015 (ранее планируемый срок сдачи 17.07.2015).
    Согласно плана строительства нашего жилого дома в строящихся 1 и 2 комнатных квартирах в кухнях ширина стены, находящейся около балконной двери согласно проекта, должна составлять 675 мм. По факту при замере указанной стены она составляет 500 мм. В связи с этим невозможно размещение типовой кухонной мебели (глубина типового шкафа составляет 600 мм). Это существенный недостаток при небольшой площади указанной комнаты.
    Если ОАО «ДСК» не может на данный момент устранить дефект, то просим возместить наши будущие затраты, т. к. всем придется заказывать кухонную мебель по индивидуальному заказу, что существенно выше по цене.
    По указанному вопросу мы пытались обратиться к сотрудникам ОАО «ДСК», однако ничего добиться не удалось, комментировать данную ситуацию руководство отказалось.
    Мы заплатили немалые деньги (многие брали кредиты на строительство этого жилья) и очень просим вас помочь нам разобраться в сложившейся ситуации до окончательного расчета, т.е. 18 09.2015.
    По поручению дольщиков строящегося жилого дома по пер. Урожайный ответ просим предоставить председателю ТС Кожемякиной Маргарита Михайловне, проживающей по адресу:_________________________________________ тел. вел. 3031096, мтс 7450915, раб. 750615
    Email: ______________________

    С уважением,
    Дольщики строящегося многоквартирного жилого дома по переулку Урожайный.

  • hunterdive Neophyte Poster
    офлайн
    hunterdive Neophyte Poster

    17

    10 лет на сайте
    пользователь #1618187

    Профиль
    Написать сообщение

    17
    # 9 сентября 2015 19:41

    shprotinka пишет:
    на проекте четко указаны размеры,что стена 675 мм,а стена 160 мм,специально для вас выделили ярким цветом,уважаемая, Asya

    Да, конечно я разъясню. Привязка к кладке из газосиликата идет по центру оси. Грубо говоря, ваша стена между квартирами состоит из:
    10 см блок, потом 4 см воздушная прослойка, потом опять 10 см блок.
    Как итого по 12 см на каждую квартиру приходится толщина "стены". Панель от оси 67 см, 67 -12=55 см фактический размер стены. 16 см там быть просто не может. Посмотрите и измеряйте еще раз пожалуйста. Если что-то не понятно, спрашивайте, я уточню и отвечу.

    Добавлено спустя 15 минут 4 секунды

    http://mogdsk.by/forum/topic.php?forum=2&topic=8&p=36

  • volf1882 Neophyte Poster
    офлайн
    volf1882 Neophyte Poster

    5

    10 лет на сайте
    пользователь #1698526

    Профиль
    Написать сообщение

    5
    # 9 сентября 2015 20:07
    1731282:

    Если вдруг этот вопрос со стеной на кухне в 50 см не решится, можно завтра нашему председателю отдать вот такое заявление от всех дольщиков, чтобы она его подписала и указала свои контакты. в этом случае ей придет официальный ответ. а если мы еще под ним подпишемся, то к нам обязан придти представитель с города и выяснить - кто прав, кто виноват. Заявление ниже:

    Добавлено спустя 42 секунды

    Председателю Могилевского
    Областного Исполнительного Комитета
    Доманевскому В.В.
    От дольщиков строящегося жилого
    дома по пер. Урожайный г. Могилева

    Заявление

    Уважаемый Владимир Викторович! Мы, дольщики строящего «многоквартирного жилого дома по переулку Урожайный с благоустройством прилегающей территории со сносом жилых домов №№11,13,15 по переулку Урожайный г Могилева» (далее – объект), обращаемся к Вам с просьбой об оказании помощи в решении следующего вопроса. Мы являемся дольщиками объекта, по которому, по последним заверениям сотрудников ОАО «Могилевский домостроительный комбинат» будет произведен полный расчет с нами 18 сентября 2015 (ранее планируемый срок сдачи 17.07.2015).
    Согласно плана строительства нашего жилого дома в строящихся 1 и 2 комнатных квартирах в кухнях ширина стены, находящейся около балконной двери согласно проекта, должна составлять 675 мм. По факту при замере указанной стены она составляет 500 мм. В связи с этим невозможно размещение типовой кухонной мебели (глубина типового шкафа составляет 600 мм). Это существенный недостаток при небольшой площади указанной комнаты.
    Если ОАО «ДСК» не может на данный момент устранить дефект, то просим возместить наши будущие затраты, т. к. всем придется заказывать кухонную мебель по индивидуальному заказу, что существенно выше по цене.
    По указанному вопросу мы пытались обратиться к сотрудникам ОАО «ДСК», однако ничего добиться не удалось, комментировать данную ситуацию руководство отказалось.
    Мы заплатили немалые деньги (многие брали кредиты на строительство этого жилья) и очень просим вас помочь нам разобраться в сложившейся ситуации до окончательного расчета, т.е. 18 09.2015.
    По поручению дольщиков строящегося жилого дома по пер. Урожайный ответ просим предоставить председателю ТС Кожемякиной Маргарита Михайловне, проживающей по адресу:_________________________________________ тел. вел. 3031096, мтс 7450915, раб. 750615
    Email: ______________________

    С уважением,
    Дольщики строящегося многоквартирного жилого дома по переулку Урожайный.

    Неужели вы думаете, что обращение данного типа вам поможет? Дом уже построен. Переделывать никто не будет. Если они не могут заделать щели на балконах, то они будут переносить стены или снижать (компенсировать) стоимость еще не приобретенной Вами кухни.
    Люди вы где живете?! Им надо поскорее сдать дом. Когда по плану была сдача дома? Так может проще уже обратиться в прокуратуру, а в последствии в суд с выставлением исков за несоблюдение сроков договора.
    И еще по поводу лифта: лифт должен быть подключен и работать сразу же после ввода дома в эксплуатацию после прохождения проверки Госпромнадзором, а не через год или после заселения 40% жильцов. Для этого застройщик передает паспорта на лифты Председателю кооператива, который в свою очередь должен заключить договор с обслуживающей организацией. при этом передача документов должна быть осуществлена вместе со всеми документами на дом. А после этого все вопросы по подключению и обслуживанию лифта к ПРЕДСЕДАТЕЛЮ.
    И еще чей рекламный прицеп стоит около дома? И каким образом осуществляется на данный момент сторожем. За что ему платят или руководство ДСК в доле? Так вот где коррупция процветает!!!

  • Maknagenek Neophyte Poster
    офлайн
    Maknagenek Neophyte Poster

    9

    14 лет на сайте
    пользователь #562695

    Профиль
    Написать сообщение

    9
    # 9 сентября 2015 20:29
    1731282:

    Если вдруг этот вопрос со стеной на кухне в 50 см не решится, можно завтра нашему председателю отдать вот такое заявление от всех дольщиков, чтобы она его подписала и указала свои контакты. в этом случае ей придет официальный ответ. а если мы еще под ним подпишемся, то к нам обязан придти представитель с города и выяснить - кто прав, кто виноват. Заявление ниже:

    Добавлено спустя 42 секунды

    Председателю Могилевского
    Областного Исполнительного Комитета
    Доманевскому В.В.
    От дольщиков строящегося жилого
    дома по пер. Урожайный г. Могилева

    Заявление

    Уважаемый Владимир Викторович! Мы, дольщики строящего «многоквартирного жилого дома по переулку Урожайный с благоустройством прилегающей территории со сносом жилых домов №№11,13,15 по переулку Урожайный г Могилева» (далее – объект), обращаемся к Вам с просьбой об оказании помощи в решении следующего вопроса. Мы являемся дольщиками объекта, по которому, по последним заверениям сотрудников ОАО «Могилевский домостроительный комбинат» будет произведен полный расчет с нами 18 сентября 2015 (ранее планируемый срок сдачи 17.07.2015).
    Согласно плана строительства нашего жилого дома в строящихся 1 и 2 комнатных квартирах в кухнях ширина стены, находящейся около балконной двери согласно проекта, должна составлять 675 мм. По факту при замере указанной стены она составляет 500 мм. В связи с этим невозможно размещение типовой кухонной мебели (глубина типового шкафа составляет 600 мм). Это существенный недостаток при небольшой площади указанной комнаты.
    Если ОАО «ДСК» не может на данный момент устранить дефект, то просим возместить наши будущие затраты, т. к. всем придется заказывать кухонную мебель по индивидуальному заказу, что существенно выше по цене.
    По указанному вопросу мы пытались обратиться к сотрудникам ОАО «ДСК», однако ничего добиться не удалось, комментировать данную ситуацию руководство отказалось.
    Мы заплатили немалые деньги (многие брали кредиты на строительство этого жилья) и очень просим вас помочь нам разобраться в сложившейся ситуации до окончательного расчета, т.е. 18 09.2015.
    По поручению дольщиков строящегося жилого дома по пер. Урожайный ответ просим предоставить председателю ТС Кожемякиной Маргарита Михайловне, проживающей по адресу:_________________________________________ тел. вел. 3031096, мтс 7450915, раб. 750615
    Email: ______________________

    С уважением,
    Дольщики строящегося многоквартирного жилого дома по переулку Урожайный.

    можно так и сделать,даже нужно

  • 1731282 Neophyte Poster
    офлайн
    1731282 Neophyte Poster

    8

    10 лет на сайте
    пользователь #1731282

    Профиль
    Написать сообщение

    8
    # 9 сентября 2015 21:44

    Вот давайте тогда каждый, кому не безразлична судьба нашего дома, поставит подпись под этим заявлением и отдадим его Председателю. Пусть отправляет выше. Ответ нам обязан придти по нашему законодательству. Если подписей больше 30, то на место строительства выезжает представитель и разбирается что по чем. Можно добавить про лифт. Кого еще какие вопросы волнуют? И посмотрим, будет ли результат.
    Лучше сделать все от нас зависящее, чем сидеть сложа руки и осуждать!
    Мы написали заявление. Принимайте эстафету - распечатываем и приносим завтра с собой дополняем, подписываемся.

  • apl_by Member
    офлайн
    apl_by Member

    118

    14 лет на сайте
    пользователь #531654

    Профиль
    Написать сообщение

    118
    # 9 сентября 2015 21:50 Редактировалось apl_by, 2 раз(а).

    Цитата
    Asya:
    "Да, конечно я разъясню. Привязка к кладке из газосиликата идет по центру оси. Грубо говоря, ваша стена между квартирами состоит из:
    10 см блок, потом 4 см воздушная прослойка, потом опять 10 см блок.
    Как итого по 12 см на каждую квартиру приходится толщина "стены". Панель от оси 67 см, 67 -12=55 см фактический размер стены. 16 см там быть просто не может. "
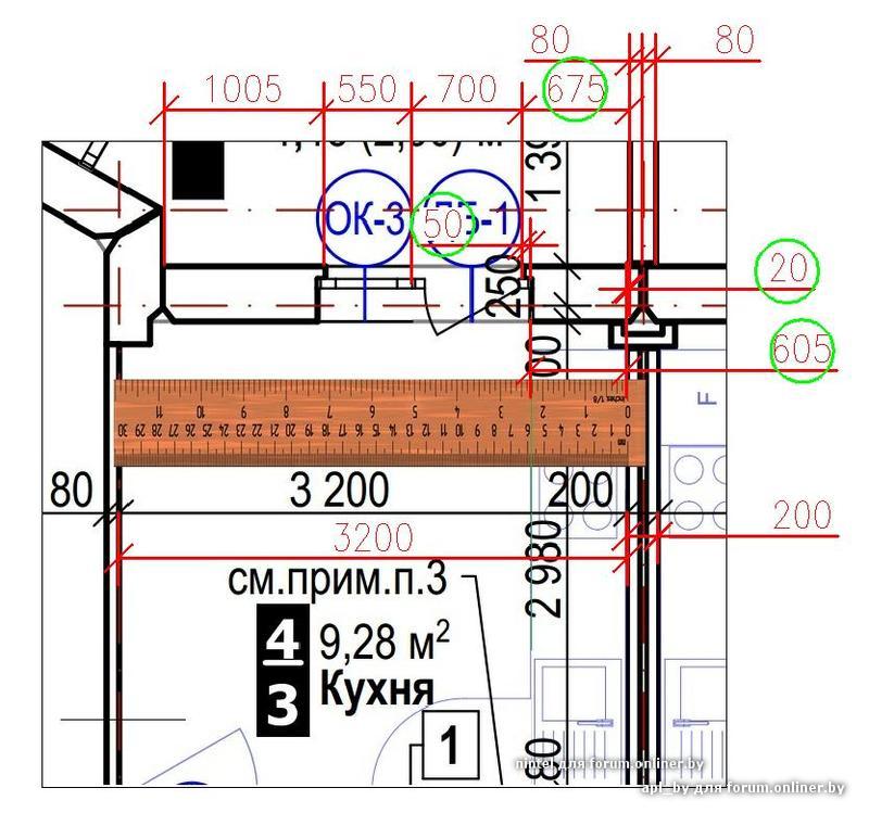
    Размеры на плане под номером 2 привязаны к наружной стене здания. Если размеры 2 сложить и вычесть размеры 3 и 4 (250+250), то получится размер 1, равный 54000 (расстояние между осями 1 и 19). Из вышеизложенного следует, что размер 80 не входит в состав размера 675 и 675 отсчитывается не от оси, а от простенка между лоджиями.
    P.S.: картинка вставилась в плохом качестве, в более лучшем качестве на сайте ДСК.

  • Adikus Member
    офлайн
    Adikus Member

    179

    16 лет на сайте
    пользователь #165068

    Профиль
    Написать сообщение

    179
    # 9 сентября 2015 21:52
    1731282:

    в строящихся 1 и 2 комнатных квартирах

    А в трехкомнатных кто - нибудь измерял?

    volf1882:

    И еще чей рекламный прицеп стоит около дома?

    Владельцу может быть очень грустно если прицеп порывом ветра куда - нибудь отнесет... А сейчас осень - ветра сильные.

    Ненавижу несправедливость
  • alexa842 Neophyte Poster
    офлайн
    alexa842 Neophyte Poster

    12

    14 лет на сайте
    пользователь #451706

    Профиль
    Написать сообщение

    12
    # 10 сентября 2015 07:08

    Отличная идея!Будем ставить подписи

  • hunterdive Neophyte Poster
    офлайн
    hunterdive Neophyte Poster

    17

    10 лет на сайте
    пользователь #1618187

    Профиль
    Написать сообщение

    17
    # 10 сентября 2015 07:44

    Я тоже за.

  • nintel Neophyte Poster
    офлайн
    nintel Neophyte Poster

    3

    13 лет на сайте
    пользователь #729849

    Профиль
    Написать сообщение

    3
    # 10 сентября 2015 18:20 Редактировалось nintel, 1 раз.

    675 см там никак не должно быть, даже если смотреть по масштабу

  • apl_by Member
    офлайн
    apl_by Member

    118

    14 лет на сайте
    пользователь #531654

    Профиль
    Написать сообщение

    118
    # 10 сентября 2015 21:54 Редактировалось apl_by, 2 раз(а).
    nintel:

    675 см там никак не должно быть, даже если смотреть по масштабу

    Перевел ваш фрагмент плана в AutoCAD, план в масштабе. Вот что получилось:

    675 мм там быть не может, а ±примерно 605 мм - вполне быть может. 675 мм -наружный размер от простенка между лоджиями до балконного дверного проёма, Расстояние от внутренней стены до балконного дверного проёма будет меньше: 675-50-20≈605 мм, где 50 мм - выступ (снаружи есть, внутри-нет), 20 мм - разница между толщиной простенка (160 мм) и толщиной внутренней стены между комнатами (200 мм) (200-160)/2=20 мм.

  • Maknagenek Neophyte Poster
    офлайн
    Maknagenek Neophyte Poster

    9

    14 лет на сайте
    пользователь #562695

    Профиль
    Написать сообщение

    9
    # 11 сентября 2015 09:27

    apl_by, даже если и 605 должно быть,то там его нет,а 500 мм

  • hunterdive Neophyte Poster
    офлайн
    hunterdive Neophyte Poster

    17

    10 лет на сайте
    пользователь #1618187

    Профиль
    Написать сообщение

    17
    # 20 сентября 2015 09:39

    Кто знает, когда обещают подключить
    электричество и пустить воду?