Что мы тут видим?
Коле-е-ечки

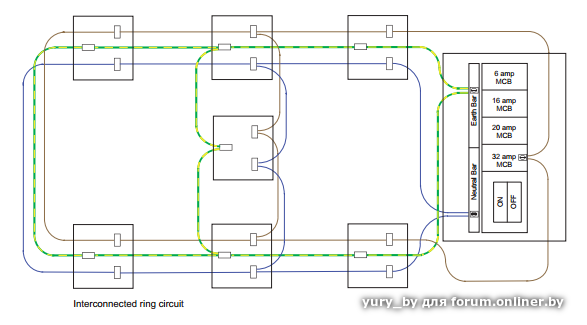
Любителям вбухивать деньги в кабель посвящается ![]()
Что мы тут видим?
Коле-е-ечки

Любителям вбухивать деньги в кабель посвящается ![]()
курчавый:Не считал
а ты Рева что ли?
yury_by, а еще розетки, которые держат 16А, а автомат стоит 32А ![]()
yury_by, да что вы все за кабель беспокоитесь? Когда 100 метров стоят как хороший диф нет никакого смысла заниматься кроиловом на кабеле, да еще сверху куча работы по коробкам, разделке, коммутации...
Andry_S, ты просто поздновато подошел
Pева:С тех пор у меня большая любовь ко всему бесплатному. Тяжело приходится в наше меркантильное время
Andry_S:yury_by, да что вы все за кабель беспокоитесь? Когда 100 метров стоят как хороший диф нет никакого смысла заниматься кроиловом на кабеле, да еще сверху куча работы по коробкам, разделке, коммутации...
+1. Особенно не понятно это когда делаешь сам и для себя. Тратишь кучу времени и утешаешься, что пропайка лучше Wago...
|
офлайн
КляйненЕнотен
Senior Member
|
|
|
29629 |
22 года на сайте Город:
|
Vitaliy:задолбали эти теоретеги. сколько клеммников ваго ты держал в руках? сколько сам установил? может показать человека, знакомого тебе, у кого расплавилась клемма ваго?
Резонно.
Я как-то ставил знакомому на люминь вообще ТДМовский клеммник (отвод от кухонной розетки в сталиинке), вроде пока всё работает нормально (там планировался чайник около мощностью 2кВт).
А ставил эту эрзц-вагу, потому что это был единственный способ делать быстро и безгеморойно, в точке где закупались настоящих Ваг не было и покупали мы там в первую очередь не клеммники.
|
офлайн
КляйненЕнотен
Senior Member
|
|
|
29629 |
22 года на сайте Город:
|
Vitaliy:yury_by, а еще розетки, которые держат 16А, а автомат стоит 32А
Не факт, там не наши "евро" розетки изображены.
yury_by:Любителям вбухивать деньги в кабель посвящается
Скорее экономить на количестве автоматов
там кабеля на две независимые линии а если чуь-чуть добавить, так и на все три хватит. При маломощном вводе это мало даёт преимуществ, а во при солидном - утраивает возможности суммарно единовременно потребляемой мощности
ИМХО. Закольцовка хороша для домов где ввод всего на 6А и приходится элекрочайник или обогреваель переносить из комнаты в комнату.
Andry_S:да что вы все за кабель беспокоитесь? Когда 100 метров стоят как хороший диф нет никакого смысла заниматься кроиловом на кабеле, да еще сверху куча работы по коробкам, разделке, коммутации...
Правильно он беспокоится.
Не будешь беспокоится – эти 6ляди с пасатижами все раскрадут и по миру тебя пустят.
Скажут что ушло Х километров проводов и 2 ящика вагин, и тут же на онлайнере будут толкать ниже рыночной цены ![]()
FLiNT1011:Тратишь кучу времени и утешаешься, что пропайка лучше Wago...
Конечно лучше. Такое соединение никогда не окислится и не развалиться само по себе, всегда обеспечивает хороший контакт. Пайка плотно прижимает провода друг к другу на большой площади.

А вот что это за недоразумение?

Площадь контакта надо под микроскопом рассматривать, механическая прочность соединения и близко не сравниться с пайкой. Лампочки на 40 ват только подключать им. Неудивительно что контакт со временем ослабевает, окисляется и начинает сильно греться. Даже и в руки это не надо брать, чтобы понять что это шило.
Американцы молодцы. Сколько читаю - у них все в подрозетниках, подвыключателях и подлюстродержателях.
Пора завязывать с этой темой, а то голова кругом.
Пока вижу три варианта:
1) Ваги - новинка;
2) скрутка с пружиной - классика;
3) скрутка-спайка - восток Европы.
Кстати, в третьем варианте немаловажен припой и флюс.
Осталось решить по месту ![]()
Сварку не рассматриваю. На выходных от нечего делать попробую. Если понравится, то почему бы и нет. Сварка хоть где-то официально упоминается? Или это местные придумали? 
Да везде на крупных объектах сварку используют, сверху скрутка с пружиной, для изоляции. Никто паять не будет, особенно когда такой коттедж. Кабеля к слову 15 км.




Нужна монтажная коробка под этот выключатель. Где можно купить ? Не посмотрел его сзади , думал обычный . Заказывать из Китая долговато.
yury_by:Сварку не рассматриваю. На выходных от нечего делать попробую. Если понравится, то почему бы и нет. Сварка хоть где-то официально упоминается?
В 80-екогда только познавал азы монтажа.Сваривали скрутки,но там особая тема была.
Moderh где вы это г...но берёте

Это стандарт.
Дорогие электрики. Перестал работать сетевой фильтр, не включается, красная клавиша не горит. Разобрал его, видимых повреждений не заметил. Что с ним? Стоит ли чинить или купить новый?


Pева:Не будешь беспокоится – эти 6ляди с пасатижами все раскрадут и по миру тебя пустят.
я кроме нецензурной лексики и слов ругательных ничего к тебе применить не могу. по этому просто скажу "спасибо"
перед тем как постить картинку с другого ресурса, хоть почитай где ее вставили http://zametkielectrika.ru/pajka-provodov/
yury_by:1) Ваги - новинка
это для тебя новинка ![]()
Пробежался по действующим у нас ТНПА.
ТКП 121-2008:
5.2.12
Места соединения и ответвления проводов (кабелей) должны быть доступны для осмотра и ремонта. Соединение, ответвление и оконцевание жил проводов (кабелей) должны производиться при помощи опрессовки, сварки или сжимов (винтовых, болтовых, пружинных). Не рекомендуется соединение выполнять пайкой.
ТКП 339-2011:
5.1.2.11 Неразъемные соединения токопроводов рекомендуется выполнять при помощи сварки. Для соединения ответвлений с гибкими токопроводами допускается применение прессуемых зажимов.
Соединения проводников из разных материалов должны выполняться так, чтобы была предотвращена коррозия контактных поверхностей.8.4.10 ...
Соединения и ответвления медных или алюминиевых жил проводов и кабелей проводят в металлических соединительных (ответвительных) коробках сваркой, опрессовкой или с помощью сжимов, соответствующих материалу, сечению и количеству жил.
...
ГОСТ 30331.15-2001:
3 Не рекомендуется применять пайку при соединении проводников силовых цепей.
ПУЭ:
2.1.21. Соединение, ответвление и оконцевание жил проводов и кабелей должны производиться при помощи опрессовки, сварки, пайки или сжимов (винтовых, болтовых и т. п.) в соответствии с действующими инструкциями, утвержденными в установленном порядке.
Делаем выводы.
Vitaliy:это для тебя новинка
Это для всех новинка ![]()
Mr.1995, тоже интересовался. По первым ссылкам в поисковике смотрите - по артикулу вроде как оригинальные, уточните насчет доставки. Когда звонил в местные магазины, то мне четко отвечали, оригинальные или нет.
Vitaliy, для всех-всех-всех
Сколько лет на рынке РБ Ваги? А сколько лет скруткам? То-то же.
yury_by, а сколько на рынке профессия веб дизайнер? при этом все без зазрения совести прибегают к их услугам ![]()