Ответить
  • serge.sp Senior Member
    офлайн
    serge.sp Senior Member

    30179

    20 лет на сайте
    пользователь #50755

    Профиль
    Написать сообщение

    30179
    # 20 июля 2017 16:25

    tiger32, заземление должно быть в каждой розетке и в каждом светильнике.

    Awaiting for five hundreds that never come.
  • tiger32 Member
    офлайн
    tiger32 Member

    159

    16 лет на сайте
    пользователь #246532

    Профиль
    Написать сообщение

    159
    # 20 июля 2017 16:28
    serge.sp:

    tiger32, заземление должно быть в каждой розетке и в каждом светильнике.

    Согласен НО пока так.
    Дополнительно буду вести заземление к розеткам отдельным проводом.

  • serge.sp Senior Member
    офлайн
    serge.sp Senior Member

    30179

    20 лет на сайте
    пользователь #50755

    Профиль
    Написать сообщение

    30179
    # 20 июля 2017 16:34

    тогда не ставьте пока на бойлер.

    Awaiting for five hundreds that never come.
  • tiger32 Member
    офлайн
    tiger32 Member

    159

    16 лет на сайте
    пользователь #246532

    Профиль
    Написать сообщение

    159
    # 20 июля 2017 16:45
    serge.sp:

    тогда не ставьте пока на бойлер.

    Я такой вариант рассматривал. Или просто автомат на бойлер и заземление или дифавтомат без заземления.
    По потребителям я показал как сейчас есть.

  • Vitaliy Senior Member
    офлайн
    Vitaliy Senior Member

    13449

    24 года на сайте
    пользователь #1695

    Профиль
    Написать сообщение

    13449
    # 20 июля 2017 18:43 Редактировалось Vitaliy, 1 раз.

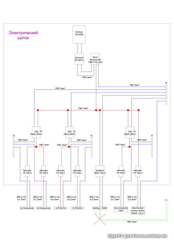
    tiger32, первое и третье узо увеличь номинал до 40А, второе до 50А

    Когда не додумывают головой, докладывают из кармана.
  • ded_d Member
    офлайн
    ded_d Member

    380

    21 год на сайте
    пользователь #31301

    Профиль
    Написать сообщение

    380
    # 20 июля 2017 20:31
    pasha_1977:

    ded_d,
    УВАЖАЕМЫЙ!!! Глава 7.3 касается взрыво- пожароопасных помещений. Котельная встроенная в жилой дом таковой не является!!! Она относится к помещениям категории "Г" ;)

    Упс ... возможно...

    ........ а впрочем и пчелы тоже.....
  • tiger32 Member
    офлайн
    tiger32 Member

    159

    16 лет на сайте
    пользователь #246532

    Профиль
    Написать сообщение

    159
    # 21 июля 2017 08:18

    Откорректировал проект электрощитка

  • Vitaliy Senior Member
    офлайн
    Vitaliy Senior Member

    13449

    24 года на сайте
    пользователь #1695

    Профиль
    Написать сообщение

    13449
    # 21 июля 2017 09:00

    tiger32, станок для деревообработки какой мощности?

    Когда не додумывают головой, докладывают из кармана.
  • tiger32 Member
    офлайн
    tiger32 Member

    159

    16 лет на сайте
    пользователь #246532

    Профиль
    Написать сообщение

    159
    # 21 июля 2017 09:53
    Vitaliy:

    tiger32, станок для деревообработки какой мощности?

    В станке установлен двигатель 2,0 кВт.

  • serge.sp Senior Member
    офлайн
    serge.sp Senior Member

    30179

    20 лет на сайте
    пользователь #50755

    Профиль
    Написать сообщение

    30179
    # 21 июля 2017 10:25

    Лично я бы дифы ставил а не мудохался с УЗО+автомат, и скорее всего станок придется мимо УЗО вести, будет срабатывать, а может и нет, как повезет.

    Awaiting for five hundreds that never come.
  • Still Member
    офлайн
    Still Member

    234

    23 года на сайте
    пользователь #6474

    Профиль
    Написать сообщение

    234
    # 21 июля 2017 10:53 Редактировалось Still, 1 раз.
    motor-pblcb:

    PaulBP:

    Still, Уже было. Замена дифа хоть на абб или абвгде не решает проблему. Отключите землю в розетке. Если все будет работать везите духовку на сервис. Скорей всего тэн пробивает

    :100500:
    Человек - профессионал, дело говорит. Слушайте его. Косяки в проводке могут быть в самой плите. Ничего смешного в этом нет.

    Но если eaton фирмы "pfl4" то он тоже косячный может оказаться.

    Вот нашлось время по плите заняться, вызвал мастера
    электроплита Цезарис гомельская, ей примерно 3-4 года
    он посмотрел - сказал ТЭН нижний надо менять, откинул с ТЭНа землю, дифавтомат выключаться перестал
    вот теперь есть вопросы:
    1. сама плита заземлена и включена через диф.автомат, ТЭН духовки не заземлен. Какие могут быть последствия и неудобства ?
    2. мастер отказался ставить такой же гомельский ТЭН, т.к. эти ТЭНы плохие и через месяц опять будут выбивать дифавтомат, от Гефеста не подходит, а вообще нужно ставить другой (но получается дорого). Неужели гомельские ТЭНы такие плохие ?

  • serge.sp Senior Member
    офлайн
    serge.sp Senior Member

    30179

    20 лет на сайте
    пользователь #50755

    Профиль
    Написать сообщение

    30179
    # 21 июля 2017 10:57

    Still, раз срабатывает УЗО, значит есть утечка через изоляцию на корпус тена, скидывание клеймы земля проблемы не решает, понятно ток перестает утекать пока корпус изолирован от земли а возьметесь за корпус ТЭНа и за батарею и через вас начнет ток утекать на землю, с вполне предсказуемыми последствиями.

    Awaiting for five hundreds that never come.
  • Vitaliy Senior Member
    офлайн
    Vitaliy Senior Member

    13449

    24 года на сайте
    пользователь #1695

    Профиль
    Написать сообщение

    13449
    # 21 июля 2017 11:38

    tiger32, пускай станок мимо УЗО отдельной линией, а на его автомат вешай розеточную ветку мастерской

    Добавлено спустя 1 минута 2 секунды

    Still, завези не рабочий тэн на завод тэнов и закажи у них точно такой же.

    Когда не додумывают головой, докладывают из кармана.
  • Still Member
    офлайн
    Still Member

    234

    23 года на сайте
    пользователь #6474

    Профиль
    Написать сообщение

    234
    # 21 июля 2017 11:52
    Vitaliy:

    Still, завези не рабочий тэн на завод тэнов и закажи у них точно такой же.

    Это занимает много времени, проще купить готовый и сразу поставить.
    но где такой завод и как заказать на всякий подскажите

  • tiger32 Member
    офлайн
    tiger32 Member

    159

    16 лет на сайте
    пользователь #246532

    Профиль
    Написать сообщение

    159
    # 21 июля 2017 12:37
  • Ul-r Senior Member
    офлайн
    Ul-r Senior Member

    745

    16 лет на сайте
    пользователь #168561

    Профиль
    Написать сообщение

    745
    # 21 июля 2017 13:33

    На провод 4мм² ставится автомат макс. 25А,а не 40

  • pasha_1977 Senior Member
    офлайн
    pasha_1977 Senior Member

    2081

    18 лет на сайте
    пользователь #122893

    Профиль
    Написать сообщение

    2081
    # 21 июля 2017 13:39

    Ul-r, это еще зависит от того 1-ф или 3-ф сеть защищаем ;)

  • tiger32 Member
    офлайн
    tiger32 Member

    159

    16 лет на сайте
    пользователь #246532

    Профиль
    Написать сообщение

    159
    # 21 июля 2017 13:43
    Ul-r:

    На провод 4мм² ставится автомат макс. 25А,а не 40

    Спасибо -4мм² заменю на 6мм².

  • Ul-r Senior Member
    офлайн
    Ul-r Senior Member

    745

    16 лет на сайте
    пользователь #168561

    Профиль
    Написать сообщение

    745
    # 21 июля 2017 14:14 Редактировалось Ul-r, 1 раз.

    Может я чего-то не досмотрел, но стоит 2P.
    Eщё я бы убрал нижние 3 рейки N, а поставил вверху 1 распр. блок типа Legrand 4881. На него 2x 6mm, а с него L+N 1.5 или 2.5 по потребителям
    УЗО на свет бы убрал, а на бойлер 10мА, вода всё-таки

  • tiger32 Member
    офлайн
    tiger32 Member

    159

    16 лет на сайте
    пользователь #246532

    Профиль
    Написать сообщение

    159
    # 21 июля 2017 14:49 Редактировалось tiger32, 1 раз.

    А кросс-модули удобнее ( меньше места занимают) - чем обычные нулевые шинки?
    Если поставить на бойлер ДИФ на 10мА - ложных срабатываний много не будет?

    Добавлено спустя 1 минута 4 секунды

    Ввод 2Р на 40А.

    УЗО на свет ставил - как "противопожарное".