elworks, какие могут быть сомнения когда разрешение из райисполкома и ТУ от энергетиков на руках?
elworks, какие могут быть сомнения когда разрешение из райисполкома и ТУ от энергетиков на руках?
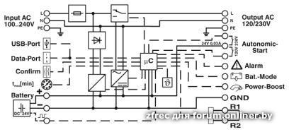
zfrec:Уважаемые мастера! Прошу совета. Делали в одном городке видеонаблюдение. На столбе в уличном шкафу устанавливали бесперебойник с аккумуляторами, от него запитывали выпрямитель на 48в на камеру и выпрямитель на 12в на ИК-прожектор.Запитывается упс от дифавтомата С16 на 30 мА в ближайшем здании.
Диф выбивает. Причём он может проработать неделю, а может и час.Закономерности нет.
Что делали, чтоб решить проблему? Сначала проверили всю разводку, потом поменяли диф,потом измерили сопротивление изоляции на питающем кабеле (5Гом), затем вообще откинули землю на вводном щите в здании. Ничего не помогло.
Какие ваши мысли?
Скорее всего утечка на землю в бесперебойнике. Попробуйте изолировать его от шкафа,так чтобы он не касался металическими частями его стенок.Землю пока на вводе надо откинуть.Если проблема уйдет,тащите бесперебойник в ремонт.
beyond, меняли какашный диф на китайский
Dokа, подозрение пока тоже падает на упс. Однако таких уличных шкафов 4 шт., выбивает в трёх из них - процент брака ничтожен, да и ибп солидной конторы - phoenix contact. И если бы земля замыкалась на ноль, то диф даже не взвелся бы. Самое мерзкое - что неисправность плавающая и выбивает фиг знает когда.
PaulBP, диф предусмотрено проектом, насекомых нет, но есть ещё подозрение на высокую влажность в шкафах. Сейчас поставили обычный автомат и будем посмотреть...
beyond, Вначале диф стоял Атрион, потом поменяли на какую-то другую китайчатину - КС чтоли. С16 30 мА. Неужели из четырёх шкафов на трёх бракованные дифы?
Да и ещё одна вводная. На этом же столбе висит такой же шкаф с коммутатором (но без упса), запитанным на такой же диф от того же вводного щитка. И все прекрасно работает!!!
Да и ещё одна вводная. На этом же столбе висит такой же шкаф с коммутатором (но без упса), запитанным на такой же диф от того же вводного щитка. И все прекрасно работает!!!
В УПСе на входе стоит сетевой фильтр,с выводом средней точки на корпус.Возможно причина в нем.При скачках напряжения,кратковременно,в импульсе тока достаточно для работы УЗО. Это предположение.
4й не срабатывает возможно только потому что связь корпуса УПС с корпусом щита слабее.
Dokа
Как говорил М.Н.Задорнов:
Мы сами создаём себе трудности,потом героически их преодолеваем.

Пластиковые шкафы разных размеров и т.д. Рекомендую и ставлю только пластик.
Подумайте на будущее. Получается,что так и живёте в пещерном веке, за то с UPS ![]()
Dokа, так ведь корпус не заземлен. Земля приходила от вводного щитка в здании, а мы её откинули там. Т.е. утечка где-то между фазой и нулём.
Утечка между фазой и нулем,это токи кз или токи перегруза.
Диф в вашем случае работал на нелинейность токов,т.е. на утечку.В цепи фаза-ноль появилась земля.
Если ящик металический и висит на жб опоре,это уже путь утечки на землю.
Схема структурная,на ней фильтра входного нет.Как правило там стоят конденсаторы фаза-корпус,ноль-корпус
В любом случае стоит попробовать сделатьтак,как я писал выше.Ну или замена дифа на простой атомат.
|
офлайн
Неизвестный кот
Senior Member
|
|
|
5137 |
19 лет на сайте Город:
|
killerkos, установка дополнительного автомата--уже реконструкция. так что именно так будет записано в проекте. да и затраты на разделение чисто вашей линии смешные.
zfrec:Что делали, чтоб решить проблему?
Выкинуть диф......, и забыть про него.
курчавый:Как говорил М.Н.Задорнов:
Мы сами создаём себе трудности,потом героически их преодолеваем.

Mr.1995,
Выкинуть диф......, и забыть про него.
Выкинули на одном щите, после выходных посмотрим. Ели выкидывать на остальных, то это повлечет изменения в проект, и как объяснить проектунам, почему на одном щитке выбивает диф, а на другом таком же все прекрасно работает?
beyond,
Они не бракованные, а какашечные электронные, которые ложно не пстрыкают только, когда выключены. Искать что-то без замены одного дифа на качественный электромеханический бессмысленно. Это первый шаг.
На этом же столбе висит такой же шкаф с коммутатором (но без упса), запитанным на такой же диф от того же вводного щитка. И все прекрасно работает!!!
шкафов с коммутаторами, запитанными на такие же дифы, около 10 шт. И ни на одном ниразу диф не сработал
zfrec, перекиньте ибп из шкафа где не срабатывает диф в шаф где срабатывает. по другому не поймете что утечка от ибп на землю.
А подскажите мне, какова вероятность пожара из-за терморегулятора теплого пола? Были ли у кого такие истории? Нужно человеку в баню (а там все деревом обшито) установить. И я мучаюсь сомнениями, взять обычный электронный с кнопкой выкл (выключил и спокоен), или программируемый, что-бы по таймеру сам включался.
Или как сделать красиво и пожаробезопасно. Лист жести снаружи, и терморегулятор в накладную коробку? Или мб врезать металлический ящик (типа ЩМП, самый мелкий) и в дверцу вставить сам регулятор?
Важно еще красиво все сделать.
Может есть у кого какие мысли? И может кто заодно посоветует модель терморегулятора, проверенную. Можно в ЛС.
Знающие электрики, подскажите пожалуйста.
Имеется квартира в новостройке с таким щитком:

Можно ли в него купить еще 1 диффавтомат (на место одиночной заглушки) и провести еще 1 провод от щитка. А верхний ряд, его можно использовать? Или так по фото не скажешь?
aquilifer, по фото не скажешь но сверху точно один автомат станет. А справа точно нет. Заглушки снимите.