Куплю или буду рад в помощи по поиску датчиков холла на хонду сх500.
Фото с книги по обслуживанию
https://cloud.mail.ru/public/00bd5d369c62/20150303_115206.jpg
Куплю или буду рад в помощи по поиску датчиков холла на хонду сх500.
Фото с книги по обслуживанию
https://cloud.mail.ru/public/00bd5d369c62/20150303_115206.jpg
|
офлайн
taC_erihsehC
Senior Member
|
|
|
760 |
15 лет на сайте Город:
|
daddybutcher, аллегро, ибэй. предложений в барахолке хватает. а если немного поднапрячься, то все можно самому сделать. пробуй - это как первый секс.
|
офлайн
Engineerno1
Senior Member
|
|
|
15630 |
17 лет на сайте Город:
|
Ищется за разумные деньги дюралевый обод для спицованного заднего колеса 2,75-17 или 2,5-17 на 36 спиц, или обмен на DID 2,5-17 32 спицы . Предложения в л.с. Заранее спасибо!
Добрый день, кто может с Польши такую запцацку пригнать за умеренное вознаграждение?
http://olx.pl/oferta/zawor-wydechowy-regulowany-aprilia-rs125-CID ... 4adc0bced6
Если что - стучитесь в ЛС, буду очень благодарен)


день добрый, достался не дорого вот такой двигатель, от ХОНДА GB 500 CIUBMAN , хочу установить на квадр , может кто знает от чего подойдет камутатор, ну или от чего приколхозить можно. Тырнет перелопатил весь , теоретически можно поставить комутатор от любого скутера, но может среди форумчан есть люди которые с похожей проблемой сталкивались.
Ищу корпус спидометра/тахометра (как на фото) на Kawasaki ER-5
Может кто помочь?Или знает где заказать? (Али не рассматриваю, т.к. там какое-то шило)
ищу rave valve (силовой клапон на впуске) от Aprilia rs 125 (двиг. rotax 122, т.е. 2006год+)
|
офлайн
Engineerno1
Senior Member
|
|
|
15630 |
17 лет на сайте Город:
|
kitaec1981, Тогда лучше тюненый искать. В коммутаторе должна быть заложена характеристика опережения зажигания...
Engineerno1:kitaec1981, Тогда лучше тюненый искать. В коммутаторе должна быть заложена характеристика опережения зажигания...
Блин мне хоть-бы стандартный найти, а уж на тюненый я губу и не раскатываю.
|
офлайн
cpt.banshee
Senior Member
|
|
|
2530 |
15 лет на сайте Город:
|
kitaec1981, я думаю Engineerno1 имеет ввиду, что коммутатор предназначенный для тюннинга будет заложена возможность выставлять угол опережения зажигания вручную, и тогда его можно будет настроить для работы с другим двигателем (не с тем, для которого он изначально предназначался).
Другими словами, вам подойдет тюнинговый коммутатор от какого-нибудь другого мотора.
P.S. А двигатель не такой-же, как у CB500? Если да - то я думаю оригинал вполне должен найтись, мот популярный...
|
офлайн
Engineerno1
Senior Member
|
|
|
15630 |
17 лет на сайте Город:
|
Никто не продает валенки (защита на дуги от ветра) ? Как у ХД.
И карбюратор на Сузуки Бургман 250 1998 года.
Ищется коммутатор от скутера или китайского мотика 150-250 куб, работающий на постоянном токе... т.е. надо DC CDI. Разъём- 4+2пин, такой-же как и у большинства АС коммутаторов. не подскажите где такие применяются?

Вофка Болт:Ищется коммутатор от скутера или китайского мотика 150-250 куб, работающий на постоянном токе... т.е. надо DC CDI. Разъём- 4+2пин, такой-же как и у большинства АС коммутаторов. не подскажите где такие применяются?
Ну так вроде Хонда Дио 35 на таком комутаторе працуе , но могу и ошибаться, щас гляну у меня помоему схема есть. Блин схему не нашел-походу не сохранял. Смотри в нете .
cpt.banshee:kitaec1981, я думаю Engineerno1 имеет ввиду, что коммутатор предназначенный для тюннинга будет заложена возможность выставлять угол опережения зажигания вручную, и тогда его можно будет настроить для работы с другим двигателем (не с тем, для которого он изначально предназначался).
Другими словами, вам подойдет тюнинговый коммутатор от какого-нибудь другого мотора.
Добавлено спустя 6 минут 13 секундP.S. А двигатель не такой-же, как у CB500? Если да - то я думаю оригинал вполне должен найтись, мот популярный...
Спасибо- буду чесать мозгувую извилину .
И снова по клапанным шайбам вопрос (уверен уже искали до меня)! Поиск не выдал ничего путного. Ищется шайба 7.48мм толщина 1.60. Может в принципе в каком магазине типа белбайка есть? Ходовой должен быть товар, на множество мотоциклов подходят.
|
офлайн
Engineerno1
Senior Member
|
|
|
15630 |
17 лет на сайте Город:
|
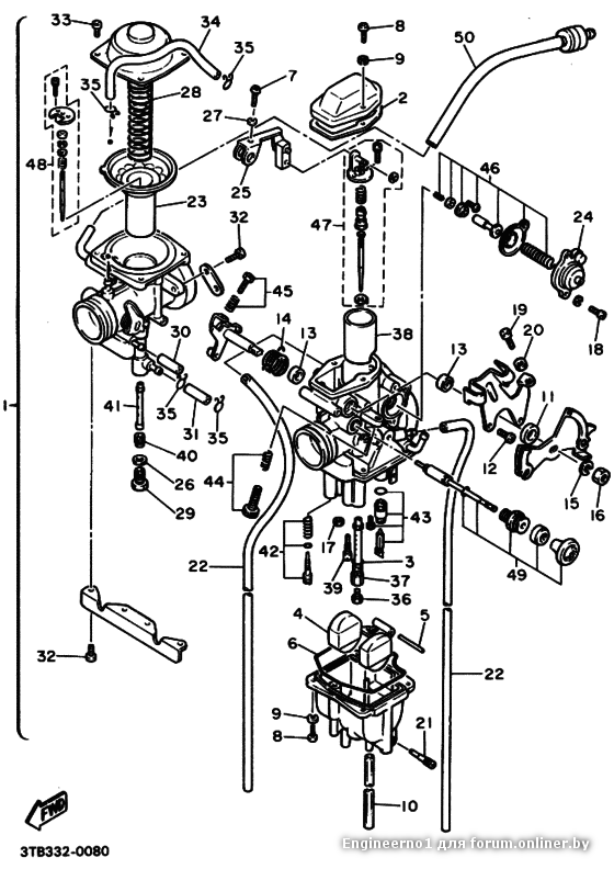
Ищется пусковой обогатитель на Ямаху ХTZ 660 93 год или хотя-бы его фото и размеры. Номер 49 на чертеже.


Аналогичная деталь стоит на многих Ямахах семейства XT (только без кабеля).
Все еще ищу мыгнитный датчик коленвала. Не важно от какой техники, скутер, квадрик или мото. Они все однотипные, а по кореплениям мне проще сделать переходник. Только длинные, в виде трубки не подходят.
Помогите плиз, продайте или подскажите где купить в РБ так чтобы в наличии.
