Там нужно не учится, а максимально качественно сравнить 2 динамика. Один поврежден, нужно понять как сильно.
Там нужно не учится, а максимально качественно сравнить 2 динамика. Один поврежден, нужно понять как сильно.
|
офлайн
Добрый_Дедушка
Senior Member
|
|
|
12352 |
12 лет на сайте Город:
|
dyno, это может быть интересно только вам самим. Так что , еще возиожно этот материал пригодится. Карту можно за 40 $ б.у. купить. Больше там ничего не надо.
|
офлайн
Добрый_Дедушка
Senior Member
|
|
|
12352 |
12 лет на сайте Город:
|
dyno:Дык возмездно же.
Деньги лучше потратить на карту. Я меньше не возьму))) 
|
офлайн
mixing-mastering
Senior Member
|
|
|
17388 |
10 лет на сайте Город:
|
Зачем покупать карту, когда она уже есть в любом ноуте или ПК
там за три мин паяется проводок из двух джеков 3,5 и пары деталек..
збыл когда пользовался уже..висит среди тучи проводов..в пучке
mixing-mastering:Зачем покупать карту, когда она уже есть в любом ноуте или ПК
Вход нужен, выход есть везде, а линейного входа нету.
|
офлайн
mixing-mastering
Senior Member
|
|
|
17388 |
10 лет на сайте Город:
|
удивительно, у меня во всех системниках есть и микрофонный и линейный входы, причем и спереди и сзади
....а если б и не было - два резистора и делитель.Фсё.
или так
dyno:Дык возмездно же.
Я через недельку буду себе измерять, но методом добавачной массы, будет желание, подъезжайте, попробуем, безвозмездно.
mtz_fish, так и надо, там в одном фланец не позволит в короб нормально установить. Черканите, плз, тут или в личку потом.
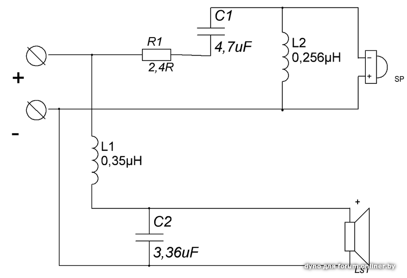
Есть динамики, СЧ 2" и ВЧ 0,8". Режу Линквицем 4600 вторым порядком. Номиналы взял по калькулятору
http://www.aie.sp.ru/Calculator_filter.html
Сопротивления подставлял из даташита по графику импеданса.
Установлены практически в одной плоскости, твитер повернул в противофазу (сменил полярность).
Атеньюацию твитера делаю резистором перед фильтром. И вот тут самая засада:
- номинал резистора 2,4Ом - много воздуха, но слышно что ВЧ выше по уровню, на звуках С резковато.
- номинал резистора 2,7Ом - воздушность пропадает, но вокал намного ровнее и реалистичнее, С уже не выпирает.
А хочется воздух сохранить... Вопрос в том, как. Или эта воздушность не очень правдоподобная?




и даташитный график

Даташит ВЧ

dyno:А хочется воздух сохранить... Вопрос в том, как.
Попробовать промежуточные значения между 2.4Ом и 2.7Ом?
|
офлайн
Добрый_Дедушка
Senior Member
|
|
|
12352 |
12 лет на сайте Город:
|
Была ли такая необходимось включать динамики в противофазе. Все ли варианты проверены и почему сшивка произошла в том месте?
|
офлайн
Добрый_Дедушка
Senior Member
|
|
|
12352 |
12 лет на сайте Город:
|
Без измерений ачх, сшить колонку можно только условно. На слух, вовсе не реально. Никто вам это не сможет подсказать или ответить. В том должны убедиться сами , подкрепляя свои выводы непосредственными измерениями.
Добрый_Дедушка:Без измерений ачх, сшить колонку можно только условно.
Я знаю некоторых господ, которые имеют измерительное оборудование. При этом кроссовер находится снаружи АС, что бы периодически, в течении нескольких лет, перестраивать кроссовер на слух. Хотя, фактически, динамики имеют хорошую перегрузочную способность. Т.е. могут играть громче, чем играют во время прослушивания. Формально, должны справиться с разным уровнем ВЧ в различных композициях.
Добрый_Дедушка, нет базы и средств измерения... Попробую подключить к процессору и погонять с активным делением и таймкорром. Вдруг поймаю принцип.
dyno:12nicks, на что влияет эта цепочка?
В принципе, должно быть понятно. Для более высокой частоты сопротивление ниже. Когда частота понижается, (увеличивается реактивное сопротивление конденсатора), сигнал проходит по дополнительной цепочке, с бОльшим сопротивлением. При дальнейшем понижении частоты растет реактивное сопротивление суммарной емкости и достигается уровень среза кроссовера по ВЧ. Для частоты, проходящей через имеющийся конденсатор громкость выше. для суммарной емкости ниже. Дополнительный резистор влияет на высоту перепада. По данным реактивного сопротивления конденсатора переход плавный. Суммарная емкость должна (по идее) совпадать с даташитом.
12nicks, думаю не в этом дело. У меня мысли разнести точки среза. То есть порезать сч на 4000 например.